EasyManua.ls Logo

Fujitsu AUU36RCLX - AUU36 RCLX & AUU42 RCLX Indoor PCB Diagrams

Fujitsu AUU36RCLX
45 pages
Print Icon
To Next Page IconTo Next Page
To Next Page IconTo Next Page
To Previous Page IconTo Previous Page
To Previous Page IconTo Previous Page
Loading...
600/450V x 4
2005.12.23 18
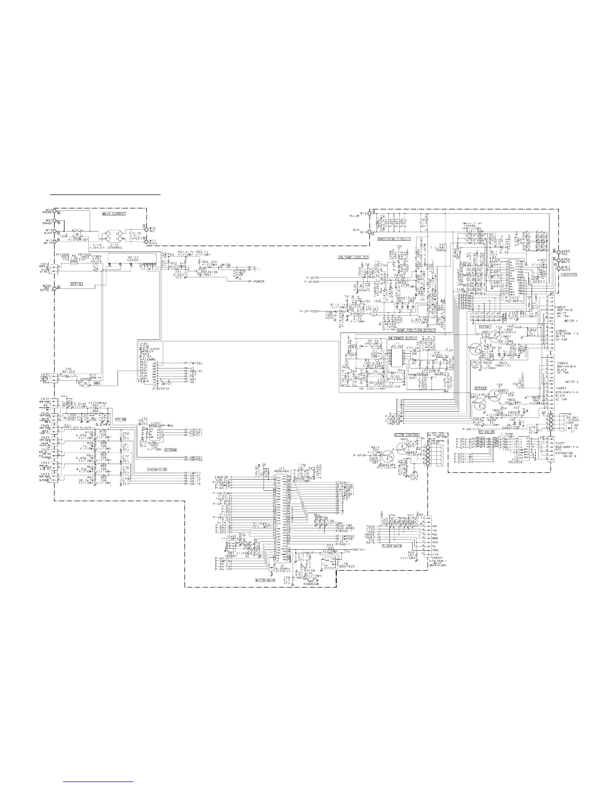
Models : AOU18RLX, AOU24RLX, AOU36RLX
CONTROLLER PCB ASSEMBLY ( MAIN PCB )
AOU18RLX : K04AW-0503HUE-C1
AOU24RLX : K04AW-0502HUE-C1
AOU36RLX : K04AW-0504HUE-C1

Related product manuals