EasyManua.ls Logo

Fujitsu General ARHG30LMLE - Page 11

Fujitsu General ARHG30LMLE
24 pages
Print Icon
To Next Page IconTo Next Page
To Next Page IconTo Next Page
To Previous Page IconTo Previous Page
To Previous Page IconTo Previous Page
Loading...
37
23
22
21
24
25
26
27
28
36
35
34
33
32
31
38
13
15
20
16
18
7
9
10
12
1
3
4
6 UP
VP1
VUFB
VUFS
VP
VP1
VVFB
VVFS
WP
VP1
VNO
VWFB
VWFS
NC
NW
NV
NU
W
V
U
P
WN
VN
UN
FO
CFO
C I N
VNC
VN1
-
+
7
5
6
+
-
1
3
2
3
2
1
3
2
1
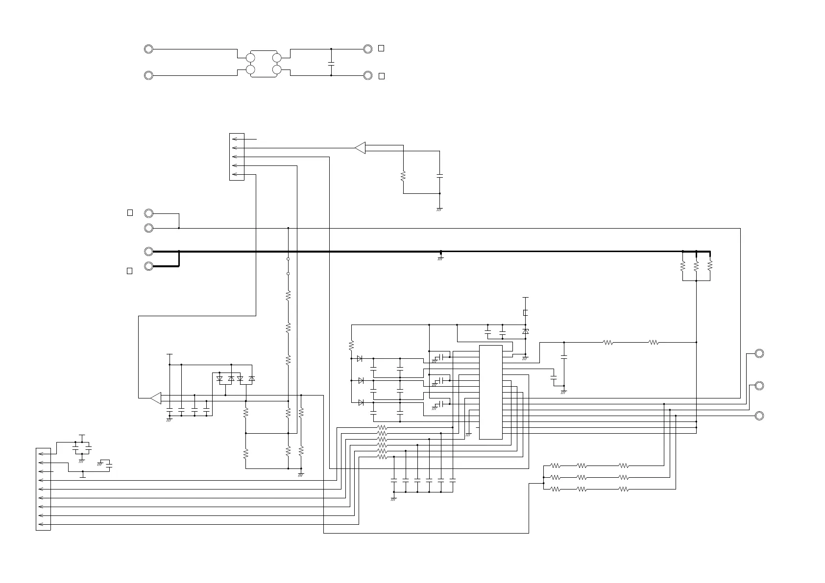
I PM-G
I PM-G
I PM-G
POWER-GND
POWER-G
R55
0R0
C50
0R0
I P M-GND
I C70-2
BA2903F-E2
C161
0.1
<X7R>
D100
LL25XB60
I C301
AOYG30LETL : PS21765
AOYG36LETL : PS21767
C324
C325
C326
0.1 <F>
x 3
R360
68
<1/4W>
C311 - C316
1000p <B> x 6
I P M-GND
R80
5.6k
<1/10W>
1%
R108
4.3k
<1/10W>
1%
R81
33k
<1/10W>
1%
R107
39k
<1/10W>
1%
C72
470p
<B>
I P M-GND
C73
330p
<B>
C71
0.1
<F>
C70
10/
25V
+
I C70-1
BA2903F-E2
15V
D70, D71
DAN217Ux 2
C300
0.1
<F>
-8V
15V
C301
0.1
<F>
+
C308
47/
35V
I P M-G
9
8
7
6
5
4
3
2
1
+15V
-8V
UP
VP
WP
UN
VN
WN
L70
R71
150k
<1/3W>
1%
R70
120k
<1/3W>
1%
R69
120k
<1/3W>
1%
R77
143
<1/10W>
1%
R76
5.76k
<1/10W>
1%
470
<1/10W>
x 6
R316
R317
R318
R319
R320
R321
120k
<1/3W>
1% x 6
R68
R65
R62
R67
R64
R61
R66
R63
R60
150k
<1/3W>
1% x 3
R304
0R0
C332
0.1
<F>
+
C302
100/
35V
L300
BL02Rn1
15V
C327
0.022
<F>
C330
100p
<B>
D307
ZP1027-TP
1
2
3
4
5
2
3 4
1
+
-
W306
B
WHITE
P
N
POWER-G
CN301
1971032-9
WHITE
D301 - D303
US1J x 3
C323
C322
C321
0.22
<F>
x 3
C305
C304
C303
+
+
+
47/
35V
x 3
CN303
1971032-5
WHITE
TM101
ORANGE
TM102
BROWN
TM301
YELLOW
R284, R285, R302
0.04 <5W> x 3
R312
820
<1/10W>
TM305 RED
U
TM304 WHITE
V
TM303 BLACK
W
TM302
BLUE
OUTDOOR UNIT
TRANSISTOR PCB
( I P M )
AOHG30LETL : K07BT-0901HUE-TR0
AOHG36LETL : K07BT-0900HUE-TR0
Models :
2012.12.06 10
W307
B
BLACK
W16
B
RED
W17
B
BLACK
AOYG30LETL
AOYG36LETL

Related product manuals