EasyManua.ls Logo

Fujitsu NEORE B - Page 39

Fujitsu NEORE B
45 pages
Print Icon
To Next Page IconTo Next Page
To Next Page IconTo Next Page
To Previous Page IconTo Previous Page
To Previous Page IconTo Previous Page
Loading...
38
N
PE
FA3
B6/1
FA7
B16/1
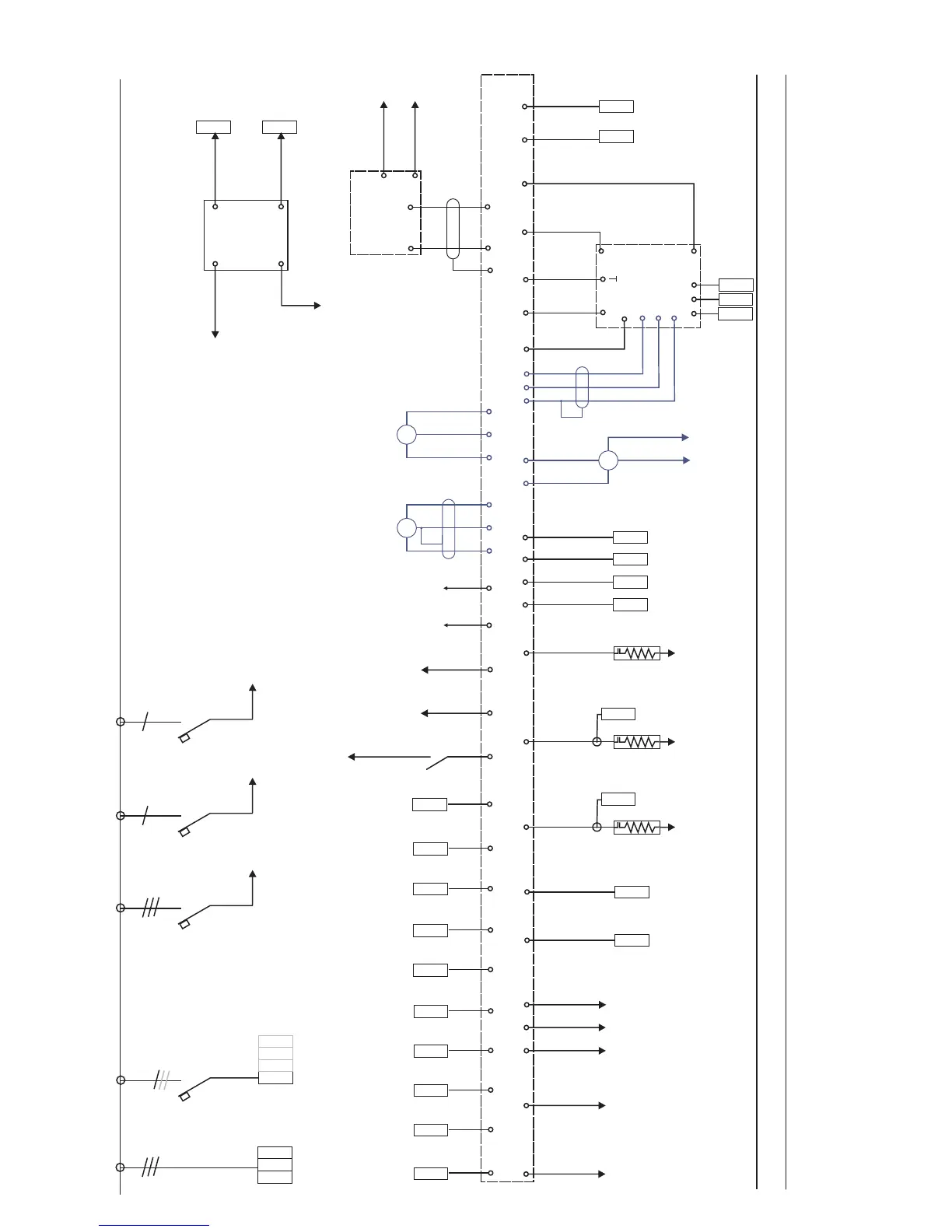
Neore Unity indoor unit electric schema 1970.13
X1-L-1
Xobeh
Xotuv
X1-N-2
X1-C-3
X2-10V
X2gnd
X24+X24-
technologies
DHW heating
FA3
AO1
AO2COM11
GND
GND
GNDDO25
TCL2+
ID32
TCL2-
TCL2+
TCL2-
ON
L
ERR
TX
RX
GND
N
C
+12V
H/C
BTP1
230VST/24VSS
N
24V+
24V+
24V-
24V-
XB1.1
XB1.2
BZ1 BZ2
BZ3
N N
N
2000W 2000W
2000W
Foxtrot 1970.13
M8
L2 L5
L8
FA3
FA6.1
FA6.2
FA6.3
M1,K3,K6
L1
L4
L7
M2
XTUV
K1
Xoaku
K2
Xobaz
K4
XcircT
K5
XTtopv
XTTUV
XTAKU
XTobj
XTbaz
XTvrat
X2okr
XNS
AI1 AI2
AI4
AI6
AI3
AI5
AI8
DI17
Di27
RS232
GND
TX RX
DI10
I2
I2
-24V
-24V
+24V
+24V
XTven
XGND
AI0AGNG
24V-
FS
FA3
N
FS1-DN 15
pulse
PM1 0-4Bar
0,5-3,5V Ratiometric
Wilo PWM
15/7,5
Out
Out
blue
Gnd
Gnd
PWM signal
brown
COM9
COM13
TNC-S 3X400V
FA6.1;2;3
B10x3
FA2.1
B25/1 B16/3
X1L1
X1L3
X1L2
XOU1
L1
L2
L3
bivalent
dle typu
dle typu
dle typu
FA7
M7
I1
I1
AD0
GND
N
Xobeh
DI13
AI11
In
In

Related product manuals