EasyManua.ls Logo

FUNAI A8C70EP - Page 23

FUNAI A8C70EP
64 pages
Print Icon
To Next Page IconTo Next Page
To Next Page IconTo Next Page
To Previous Page IconTo Previous Page
To Previous Page IconTo Previous Page
Loading...
7-4
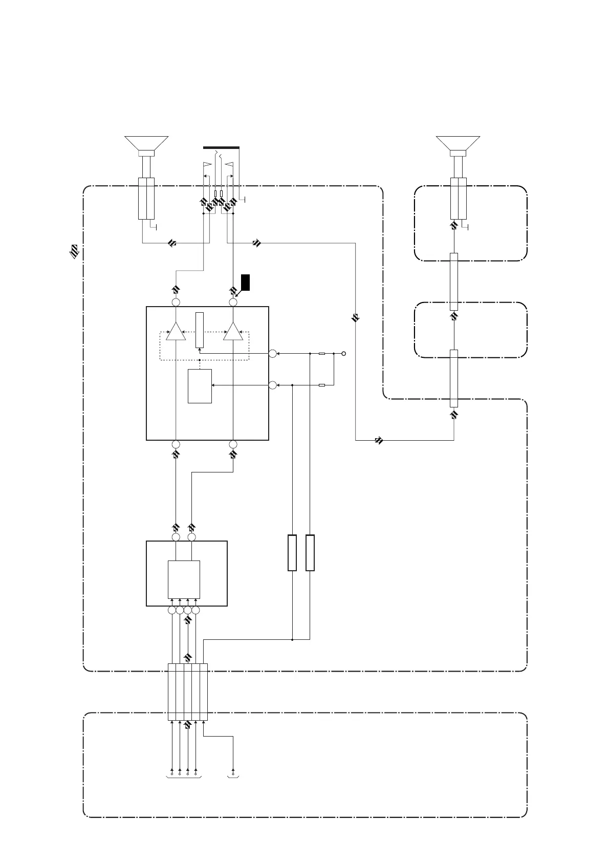
Audio-2 Block Diagram
A8C70BLA2
DIGITAL MAIN CBA UNIT
AUDIO SIGNAL
14
IC801 (AUDIO AMP)
7
VOLUME
11
AMP
AMP
(R-CH)
(L-CH)
2
Q805
+9V
WF1
6
1
AMP MUTE
JK801
HEADPHONE
JACK
SP451
SPEAKER
R-CH
CN451
CL451
SP(R) 1
SP-GND
2
SP802
SPEAKER
L-CH
CN802 CL802
SP(L) 1
SP-GND
2
MAIN CBA
MUTE
/STANDBY
CONTROL
IC802
(AUDIO D/A CONVERTER)
D/A
CONVERTER
(L-CH)
(R-CH)
15
14
5
6
7
8
ACLK14 12
A DATA13 13
BCLK12 14
LRCLK11 15
CN101ACN3701
AMP-MUTE917
ACLK
BCLK
LRCLK
A DATA
TO
DIGITAL
SIGNAL
PROCESS
BLOCK
DIAGRAM
AMP-MUTE
TO SYSTEM
CONTROL
BLOCK
DIAGRAM
JUNCTION
CBA
SP(R)13 13SP(R)13 13
CN404ACN105A
CN404B
CL404
INVERTER CBA
Q802
SWITCHING

Related product manuals