EasyManua.ls Logo

FUNAI DPVR-7630D - Page 30

FUNAI DPVR-7630D
77 pages
Print Icon
To Next Page IconTo Next Page
To Next Page IconTo Next Page
To Previous Page IconTo Previous Page
To Previous Page IconTo Previous Page
Loading...
1-11-8
E8B05BLVD
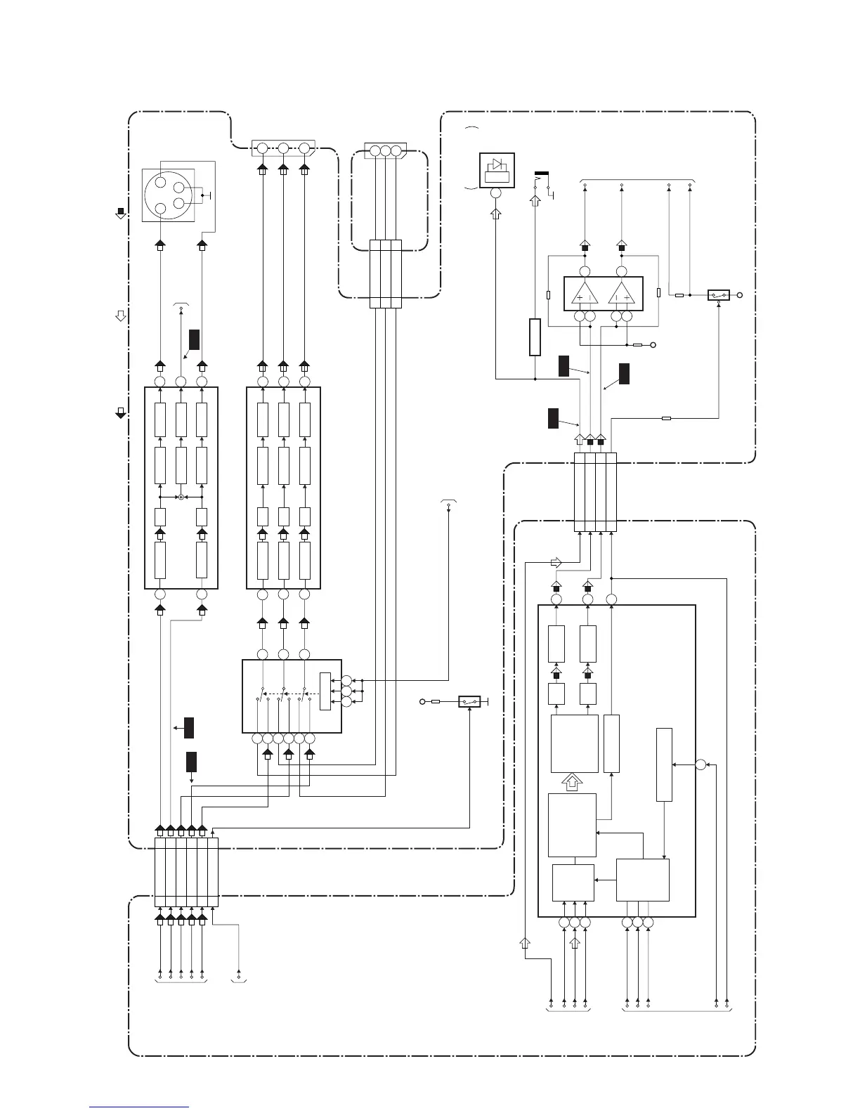
DVD Video / Audio Block Diagram
DIGITAL
AUDIO OUT
JK1202(REAR)
BUFFER
Q1351
IC1201
Q1203
AUDIO+5V
OUTPUT-SELECT
(AMP)
CN601 CN1601
12 12
DVD-AUDIO(L)
14 14
DVD-AUDIO(R)
13 13
DVD-AUDIO-MUTE
7
6
2
1
3
DVD-
AUDIO(L)-OUT
AUDIO(L)-MUTE
DVD-
AUDIO(R)-OUT
AUDIO(R)-MUTE
MAIN CBADVD MAIN CBA UNIT
16
16
SPDIF
CN2017
CN2018
13 13VIDEO-G
12 12VIDEO-B
14
14
VIDEO-R
WF9
5
WF7
WF8
CN601
11VIDEO-Y(I)
10 10VIDEO-C
44VIDEO-Pr/Cr
88VIDEO-Y(I/P)
66
VIDEO-Pb/Cb
VIDEO-Y(I)
VIDEO-C
VIDEO-Pr/Cr
VIDEO-Y(I/P)
33ASPECT
TO DIGITAL
SIGNAL PROCESS
BLOCK DIAGRAM
TO DVD SYSTEM
CONTROL/SERVO
BLOCK DIAGRAM
VIDEO-Pb/Cb
ASPECT
TO Hi-Fi AUDIO
BLOCK DIAGRAM
<VCR SECTION>
TO SERVO/SYSTEM
CONTROL BLOCK
DIAGRAM
<VCR SECTION>
11
15
7
JK1402
VIDEO
-G
VIDEO
-R
VIDEO
-B
15
7
11
JK101
DVD-R
DVD-B
DVD-G
FIBER OPTIC
TRANS MODULE
3
IC1204
JK1401
S-VIDEO
OUT
3 4
2
1
YC
DVD-VIDEO
TO VIDEO
BLOCK DIAGRAM
<VCR SECTION>
IC102 (VIDEO DRIVER)
15
4dB AMP 2dB AMP
LPF DRIVER
10
4dB AMP 2dB AMP
LPF DRIVER
11
4dB AMP 2dB AMP
LPF
SW CTL
DRIVER
5
4dB AMP 2dB AMP
LPF DRIVER
6
8dB AMP
DRIVER
4dB AMP 2dB AMP
LPF DRIVER
3
1 7
14
12
13
8
IC1403
IC101
(OUTPUT SELECT)
(VIDEO DRIVER)
-6dB
15
2
1
4
5
3
10
11
9
Q1502
+5V
CN1601
JACK-A CBA
WF6
1
6
WF4
WF5
DVD-P-ON+3.3V
DVD AUDIO SIGNALDATA(AUDIO) SIGNALDVD VIDEO SIGNAL
IC601 (AUDIO DAC)
15
14
16
7
6
8
4
3
2
5
FROM
DVD
SYSTEM
CONTROL
/SERVO
BLOCK
DIAGRAM
FROM
DIGITAL
SIGNAL
PROCESS
BLOCK
DIAGRAM
SERIAL
PORT
SERIAL
CONTROL
4X/8X
OVERSAMPLING
DIGITAL FILTER
/FUNCTION
CONTROLLER
ENPHANCED
MULTI-LEVEL
DELTA-SIGMA
MODULATOR
DAC
LPF+AMP
L-CH
R-CH
LPF+AMP
DAC
ZERO DETECT
SYSTEM CLOCK
PCM-BCK
SPDIF
PCM-DATA
PCM-LRCLK
ADAC-MD
ADAC-MC
ADAC-ML
PCM-SCLK
AUDIO-MUTE

Related product manuals