EasyManua.ls Logo

FUNAI DRV-D2831 - Page 34

FUNAI DRV-D2831
85 pages
Print Icon
To Next Page IconTo Next Page
To Next Page IconTo Next Page
To Previous Page IconTo Previous Page
To Previous Page IconTo Previous Page
Loading...
1-11-9
E9709BLP
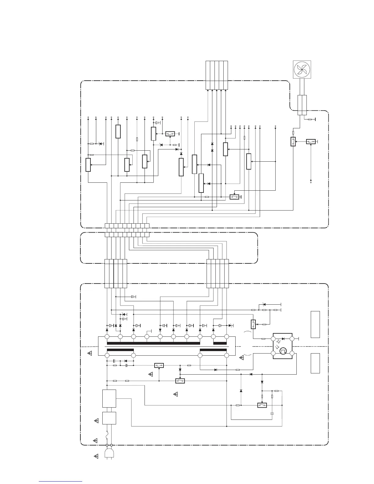
Power Supply Block Diagram
AC1001
F1001
T1.6A L 250V
LINE
FILTER
L1003
D1001 - D1004
BRIDGE
RECTIFIER
2
4
Q1001
Q1003
Q1008
Q1004
7
8
1
23
4
IC1001
ERROR
VOLTAGE DET
T0011
MAIN CBAPOWER SUPPLY CBA
HOT CIRCUIT. BE CAREFUL.
20
19
18
17
16
15
14
13
12
11
20-22
P-ON+2.5V
25-27
P-ON+3.3V
11-13
P-ON+5V
1 FAN+12V
2
GND
4-6 EV+10.5V
C-POW-SW
P-ON+5V
P-ON-H
P-DOWN-H
P-ON+44V
AL+12V
TIMER+5V
P-ON+9V
AL+5V
AL+16V/+12V
14-17 EV+2.4V
Q1516,Q1517
SW+44V
Q1511,Q1514
SW+12V
Q1515
SW+9V
Q1518
SW+5V
Q1508,Q1509
SW+16V
P-ON+15V
P-ON-DECK+5V
Q1542
SW+5V
F2
F1
DVD P-ON+12V
CL051A CL051B CN1504
1 AL+44V
1
3 AL+12V
3
5 FAN AL+12V
5
8 AL+5V
8
10 AL+16V
10
CL052A CL052B
2 AL-30V
4 AL+2.4V
6 AL+4V
9 F1
8
2
4
6
9
8F2
<TO PIN 75 OF IC501>
<TO PIN 32 OF IC501>
<TO PIN 84 OF IC501>
REG-CONT
<TO PIN 42 OF IC501>
IC1505
+3.3V REG.
IC1504
+2.5V REG.
JUNCTION
CBA
CN051A
1
3
5
10
1
3
5
8
8
10
12
14
16
19
18
12
14
16
19
18
-FL
DVD P-ON+3.3V
FAN CONT1
<TO PIN 11 OF IC501>
EV+5V
DVD-P-ON+5V
Q1510
Q1519
Q1501
Q1502
CN1501
CN1503
SW+5V
Q1513
Q1512
SW+5V
HOT COLD
FAN
CAUTION !
Fixed voltage (or Auto voltage selectable) power supply circuit is used in this unit.
If Main Fuse (F1001) is blown , check to see that all components in the power supply
circuit are not defective before you connect the AC plug to the AC power supply.
Otherwise it may cause some components in the power supply circuit to fail.
NOTE:
The voltage for parts in hot circuit is measured using
hot GND as a common terminal.
CAUTION !
For continued protection against fire hazard,
replace only with the same type fuse.

Related product manuals