EasyManua.ls Logo

FUNAI LF320FX4F - Page 37

FUNAI LF320FX4F
83 pages
Print Icon
To Next Page IconTo Next Page
To Next Page IconTo Next Page
To Previous Page IconTo Previous Page
To Previous Page IconTo Previous Page
Loading...
10-4
4
32
1
IC602
TLP781F
1000P/250V
C603
L601
LINE FILTER
AC601
AC CORD
2.5A/250V
F602
D653A
OPEN
1ZB20BB
D654
C654
470/16V
OPEN
R663
OPEN
R664
C652
470/25V OPEN
D652
D650
SB3150BH
3.3K
R661
3.9K
R657
8.2K
R667
3.9K
R660
27K
R659
180
R654
47K
R668
10K
R669
270
R672
270
R670
270
R671
10K
R681
100
R680
OPEN
C635
OPEN
C650
OPEN
D405
1
R651 D656
RS1BJTB
C656
1/50V
MM5Z11B
D657
56K
R652
C651
470/25V
C653
470/25V
180
R655
1000P
C1013
1/100V
C1009
1/100V
C1010
1K
R1003
100K
R1007
OPEN
R1016
100P/1KV
C1018
200
R1019
SK210TD
D1001
10K
R1006
240K
R1020
0
R1021
100K
R1005
10K
R1004
10K
R1022
1
C1003
KTC3875S-Y-RTK/P
Q653
KTC3875S-Y-RTK/P
Q656
KTC3875S
-Y-RTK/P
Q650
B
CN601
W
P-ON-H26
16 AMP+13V
20 P-ON+21V
15 AMP+13V
21 P-ON+21V
2 PROTECT1
CN501
1 LED-CONT(NU)
8 AL+3.3V
3 PROTECT3
12 GND
4 RESET
7 BACKLIGHT-ADJ
5 BACKLIGHT-SW
CN1001
1VLED
2ILED
Q1001
AP18T10AGH-HF
G
D
S
0.22/275V
C604
1.2M/1/2W
R601
VARISTOR
SA601
JS601
OPEN
JS602
OPEN
0.22/275V
C614
BC603
BEAD
BC602
BEAD
1N5406BH
D601
1N5406BH
D603
1N5406BH
D602
1N5406BH
D604
1.5K
R608
330
R607
330
R606
1ZB36BB
D608
470K
R603
100P
C610
MM5Z4V3B
D605
OPEN
D607
1800P
C607
470K
R604
820P
/2KV
C606 180
R613
470K
R614
OPEN
R602
HSC119
D610
2SC5344SY
Q602
0.022
C608
TFZGTR27B
D607A
G
D
S
TK7P60W
Q601
OPEN
D608A
RB520SM-30
D609A
D651A
OPEN
OPEN
D652A
19 GND
22 P-ON+21V
23 P-ON+21V
OPEN
C639
C655
470/16V
OPEN
D654A
OPEN
R665
OPEN
C638
OPEN
D406
C663
100/10V
3.3K
R662
D662
SL431A-AT
0
R682
0.1
C665
OPEN
R673
10K
R677
D663
OPEN
D660
SL431A-AT
2.7K
R658
0.22
C660
1
C1004
OPEN
C1005
470/25V
C1001
100P/250VC617
100uH
L1001
120
R1002
120
R1001
OPEN
C633
10
R1031
HSC119
D1004
OPEN
R615
OPEN
R616
OPEN
R617
OPEN
R618
6
5
4
2
1
7
8
9
10
11
12
T601
POWER TRANS
JS605
OPEN
JS606
OPEN
JS603
JS604
5.6K
R612
0.068
C609
100
R609
OPEN
R619
OPEN
C611
KTC3875S
-Y-RTK/P
Q621
0
R622
560
R621
MM5Z30B
D623
HSC119
D621
OPEN
C624
4.7
C623
10
C622
1000P/250V
C602
1000P/250V
C616
0.36
/2W
R611
10K
R623
OPEN
C621
OPEN
SA602
OPEN
GT601
D653
SB3A0BH
D655A
OPEN
D655
SB3A0BH
OPEN
R693
4
32
1
IC601
OPEN
0.22
C666
D661
HSC119
D650A
OPEN
D651
SB3150BH
0
R674
68K
R675
Q658
2SA950-O
1.5
R690
OPEN
R691
OPEN
R692
OPEN
Q659
11 GND
10 GND
13 GND
18 AMP+13V
17 AMP+13V
14 GND
9GND
OPEN
D658
TFZGTR4.7B
D664
OPEN
C661
47/100V
C1007
47/100V
C1006
1/100V
C1011
OPEN
R1017
OPEN
R1018
1
C1012
OPEN
C630
OPEN
C631
OPEN
C632
OPEN
R686
OPEN
R687
Q657
OPEN
OPEN
R688
OPEN
R684
C662
OPEN
OPEN
R689
OPEN
R685
OPEN
R683
OPEN
C664
OPEN
R679
OPEN
R678
OPEN
R676
0.12/1W
R1015
33K
R653
330
/200V
C605
L602
LINE FILTER
2.5A250V
0
R666
Q657A
OPEN
Q658A
OPEN
470/25V
C1002
OPEN
D1002
TFZGTR30B
D1006
3.9K
R1023
1.5K
R1024
8
3
2
10
1
712
VCC
UVLO
9
6
11
13
4
ADIM
GND
514
15
16
17
18OVP
CONTROL
LOGIC
SS
RT
FAIL
DETECT
VREG
DRIVE
DRIVE
ADIM-P
IC1001
BD9488F-GE2
22K
R1027
9.1K
R1028
9.1K
R1029
OPEN
C1014
0.047
C1015
56K
R1012
33K
R1011
R1014
240K
R1013
1K
R1030
0.022
C1017
2200PC1016
1
C1019
Q1003
AP18T10AGH-HF
G
D
S
1K
R1025
51
R1026
2200P
C1020
1
R1010
1
R1009
D1005
HSC119
BC604
BEAD
BC601
BEAD
123
IC651
OPEN
OUT
IN
GND
GP001
EARTH PLATE
GP002
EARTH PLATE
GP003
EARTH PLATE
4
3
1
2
0.4
13.0
ERROR
VOLTAGE DET
19.0
20.4
HOT CIRCUIT. BE CAREFUL.
0.6
0
(SWITCHING)
3.4
(+3.3V REG.)
3.9
A FBCDE G
0
UNLESS OTHERWISE SPECIFIED:
DIODES ARE HSS4148TE-E.
HOT COLD
(RESET)
0
-3.1
3.3
0
3.3
3.3
3.3
3.4
0
0
0
13.4
0
8.2
18.8
(SWITCHING)
LED BACKLIGHT
DRIVER
0.1
56.6
0.7
0
192.0
2.6
(SWITCHING)
0
0.1
SWITCHING
CONTROL
0.4
20.7
POWER SUPPLY CBA
TO LCD PANEL
ASSEMBLY
TO DIGITAL MAIN
CBA UNIT CN3701
OVER
VOLTAGE
PROTECT
0
0
3.3
3.3
0
0
0
13.4
13.4
13.4
20.7
20.7
20.7
13.4 3.4
12.8
12.8
0.4
2.6
(+3.3V REG.)
(SWITCHING)
0.7
0.7
12.5
2.2
3.5
4.1
1.3
2.7
2.7
3.3
0.7
5.4 0
12.6
8.1
2.9
0
12.6
3.9
0.7
5.4
0
19.0
2.5
0
2.5
3.9
5.6K
FL13.8BSCP
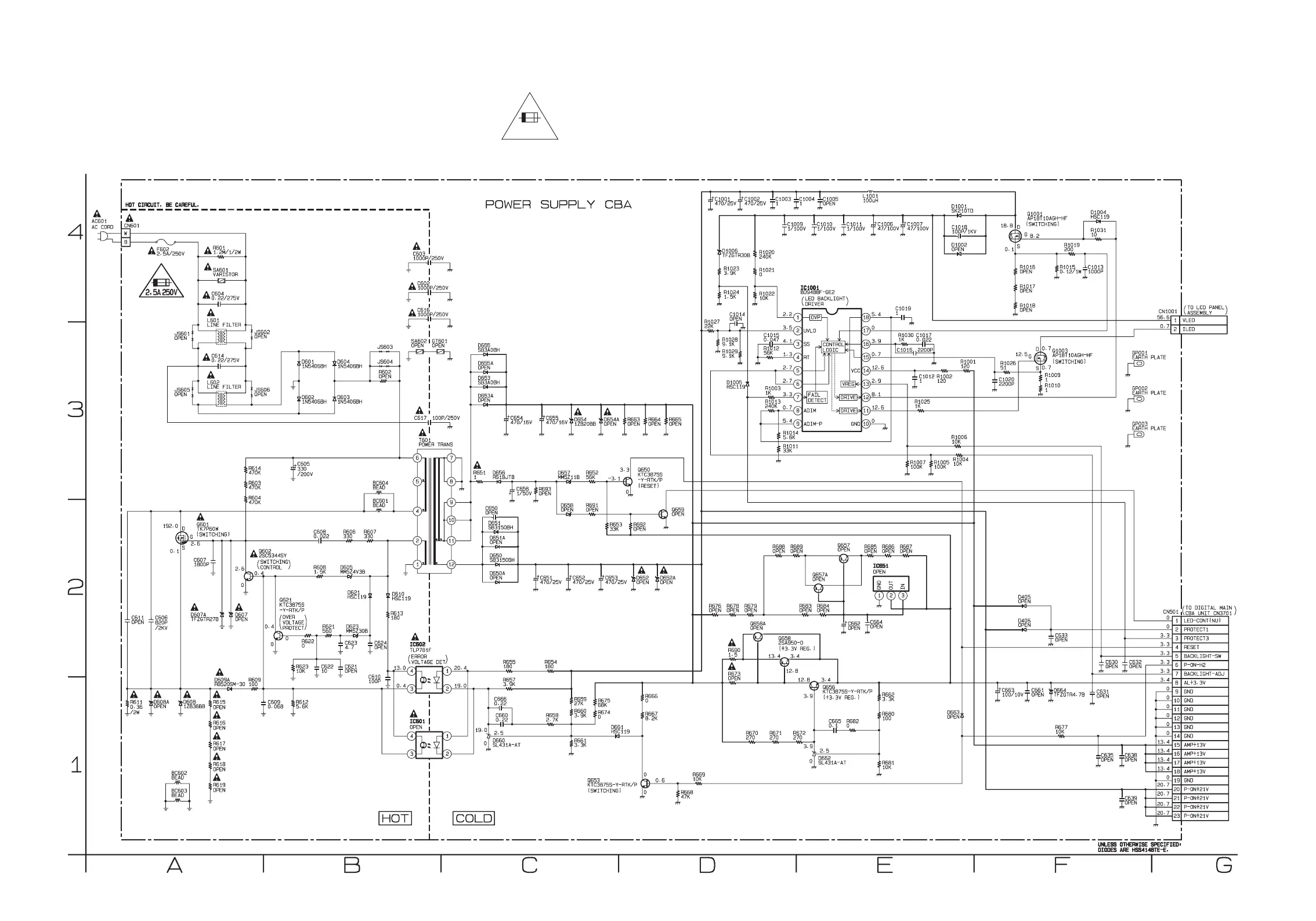
Power Supply Schematic Diagram [TYPE B]
NOTE:
The voltage for parts in hot circuit is measured using
hot GND as a common terminal.
CAUTION !
Fixed voltage (or Auto voltage selectable) power supply circuit is used in this unit.
If Main Fuse (F602) is blown , check to see that all components in the power supply
circuit are not defective before you connect the AC plug to the AC power supply.
Otherwise it may cause some components in the power supply circuit to fail.
For continued protection against risk of fire,
replace only with same type 2.5A, 250V fuse.
CAUTION ! :
ATTENTION : Utiliser un fusible de rechange de même type de 2.5A, 250V.
2.5A 250V

Related product manuals