EasyManua.ls Logo

FUNAI LF320FX4F - Page 38

FUNAI LF320FX4F
83 pages
Print Icon
To Next Page IconTo Next Page
To Next Page IconTo Next Page
To Previous Page IconTo Previous Page
To Previous Page IconTo Previous Page
Loading...
10-5
2 P-ON+5V
OPEN
C4055
6 KEY-IN1
D4002
OPEN
18K
R4001
0.1
C4053
CN4052
1 AL+3.3V
SW4004
OPEN
C4057
SW4005
10
C4051
R4055
OPEN
SW4006
3 LIGHT
R4059
OPEN
7 GND
5 REMOTE
4.7K
R4003
SW4003
R4058
OPEN
D4051
LTST-C190KRKT
2.2K
R4005
8.2K
R4002
SW4002
R4056
OPEN
1000P
C4052
1
2
34
5
6
IC4051
OPEN
OUT
GND
VCC NU
NU
NU
2.7K
R4004
SW4001
R4052
6.8K
2.2K
R4006
D4001
MM5Z5V6B
231
RS4051
RS-272
VOUT
GND
VCC
0.1
C4054
9 SDA(NU)
0.1
C4002
1K
R4054
10
C4056
R4060
8.2K
R4057
OPEN
SW4007
OPEN
R4053
4 LED1
8 SCL(NU)
R4051
56
7 GND
6 KEY-IN1
5 REMOTE
9 SDA(NU)
4 LED1
8 SCL(NU)
2 P-ON+5V
CN4053
1 AL+3.3V
3 LIGHT
1
2
CAB
FUNCTION CBA UNIT
UNLESS OTHERWISE SPECIFIED:
SWITCHES ARE SKRMABE010.
VOL
UP
(REMOTE SENSOR)
VOL
DOWN
TO DIGITAL MAIN
CBA UNIT CN3101
CH UP
POWER
SOURCE POWERMENU
CH
DOWN
(NO CONNECTION)
FL13.8SCF
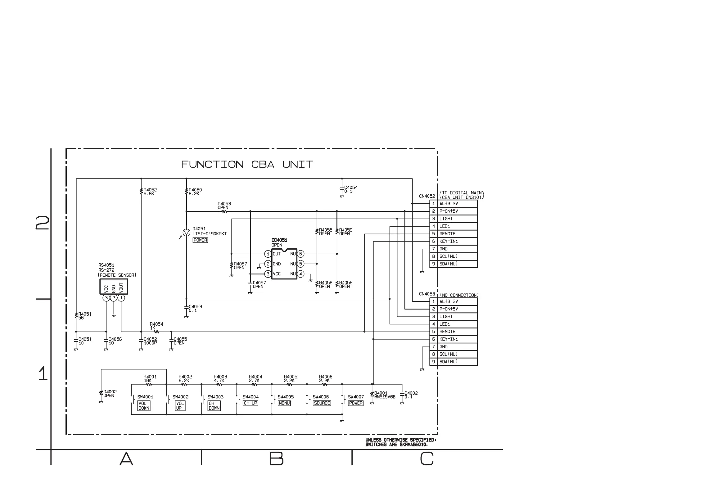
Function Schematic Diagram

Related product manuals