EasyManua.ls Logo

FUNAI LF320FX4F - Page 48

FUNAI LF320FX4F
83 pages
Print Icon
To Next Page IconTo Next Page
To Next Page IconTo Next Page
To Previous Page IconTo Previous Page
To Previous Page IconTo Previous Page
Loading...
10-15
1
C3124
OPEN
C3321
1
C3157
J5VCCQ18
M4VCCQ18
D6AVDD33
F12
IC3005(4/6)
R8A05011BG-U0
*1
VCC33STB
F8AVDD12
1
C3148
0.1
C3160
1
C3150
1
C3123
M6VCCQ18
F9AVDD12
1
C3151
1
C3141
10
C3320
OPEN
C3264
F5VCCQ33
C2AVDD33
J12VCCQ33
E10AVDD33
E8AVDD12
N11AVDD33
1
C3145
E12VDD12STB
1
C3129
10
C3343
G4VCCQ33
C3142
1
10
C3319
M7VCCQ18
M8VCCQ18
10
C3326
*DVSS
10
C3149
OPEN
C3324
G12VCC33STB
T1VCCQ18
*CVDD12
1
C3143
H5VCCQ18
G11VDDCLK
E6AVDD33
1
C3136
10
C3114
E11AVDD33
1
C3144
OPEN
C3325
10
C3322
1
C3158
1
C3128
0.1
C3181
C3AVDD33
1
C3130
1
C3134
M10AVDD12
0.1
C3135
10
C3115
0.1
C3139
N6VCCQ18
10
C3318
1
C3152
L12VCCQ33
K13VCCQ33
10K
R3222
1
C3131
4.7K
R3086
10K
R3077
10K
R3079
47K
R3106
10K
R3105
D3101
HSC119
D3102
HSC119
22K
R3100
D3103
HSC119
47K
R3423
100
R3424
1.5K
R3097
D3106
HSC119
D3104
HSC119
D3105
OPEN
1
C3603
OPENC3008
OPENC3006
OPENC3004
OPENC3055
OPENC3048
220R3013
OPENR3011
100R3009
100R3072
100R3068
OPENC3062
OPEN
C3995
OPEN
C3996
100
R3051
OPEN
D3007
MM5Z12B
D3112
47K
R3108
10K
R3112
10K
R3113
1K
R3101
1
C3107
47K
R3114
1K
R3104
OPEN
R3115
Q3013
SSM3K309T
G
DS
Q3003
2SC4081UBTLQ
Q3004
2SC4081UBTLQ
Q3005
2SC4081UBTLQ
Q3101
2SC4081UBTLQ
Q3102
2SC4081UBTLQ
Q3006
2SA1576UBTLQ
Q3103
2SA1576UBTLQ
P-ON+5V
AL+3.3V
P-ON+21V
P-ON+3.3V
P-ON+1.8V
P-ON+3.3V(1)
BACKLIGHT-SW
BACKLIGHT-ADJ
PROTECT1
PROTECT3
RESET
P-ON-H2
CPU-RESET-N
GPY10
AMP+13V
P-ON+3.3V
AL+3.3V
P-ON+5V
P-ON+5V
P-ON+3.3V
AL+3.3V
P-ON+3.3V
P-ON+3.3V(1)
9 GND
11 GND
16 AMP+13V
12 GND
8 AL+3.3V
4 RESET
6 P-ON-H2
19 GND
17 AMP+13V
18 AMP+13V
2 PROTECT1
13 GND
7 BACKLIGHT-ADJ
CN3701
1 LED-CONT(NU)
14 GND
3 PROTECT3
10 GND
5 BACKLIGHT-SW
15 AMP+13V
0
L3030
10
C3118
1
C3154
MM5Z5V6B
D3114
100
R3221
D3115
HSC119
1
C3125
10
C3604
MM5Z5V6B
D3602
D3994 OPEN
OPEN
C3063
OPEN
C3994
CHECK+1.8V
100
R3036
P-ON+5V
Q3009
2SC4081UBTLQ
OPEN
C3238
D3107
HSC119
18K
R3140
1K
R3139
Q3011
OPEN
OPEN
R3227
OPEN
R3228
OPEN
C3237
1
2
3
45
6
7
8
IC3004
BD00IA5WEFJ-E2
VOUT
FB
GND
NU EN
NU
NU
VCC
0.022
C3019
1.8K
R3062
2.7K
R3060
2.7K
R3059
10
C3086
10K
R3061
180
R3043
C3079
220/6.3V
1
2
3
45
6
7
8
IC3007
BD00IC0WEFJ
VOUT
FB
GND
NU EN
NU
NU
VCC
10
C3069
10
C3087
0.022
C3075
3.3K
R3109
10K
R3110
10K
R3111
1.8K
R3103
10
C3024
L3003
OPEN
10
C3265
OPEN
R3138
P-ON+3.3V
20 P-ON+21V
21 P-ON+21V
23 P-ON+21V
22 P-ON+21V
PROTECT3
L3027
BEAD
L3021
BEAD
L3019
OPEN
L3026
BEAD
P-ON+5V
1
C3159
L3006
BEAD
1
C3155
1
C3156
MM5Z5V6B
D3113
1
C3126
1
C3127
10
C3132
10
C3133
C3068
OPEN
1
R3008
1
2
3
45
6
7
8
IC3001
MP1472GJC452Z
SS
EN
COMP
FB GND
SW
IN
BST
0.1
C3003
OPEN
C3002
4.7
C3102
0.047
C3013
OPEN
C3119
0
R3091
8.2K
R3001
2200P
C3017
33K
R3004
6.2K
R3003
15K
R3002
0.1
C3014
OPEN
R3057
OPEN
C3092
OPEN
C3605
OPEN
R3601
L3002
33uH
C3020
330/4V 10
C3021
10
C3059
270
R3014
PTZTE255.1B
D3005
1
C3090
10K
R3133
4700P
C3088
PTZTE255.1B
D3006
1
2
3
45
6
7
8
IC3008
MP1472GJC452Z
SS
EN
COMP
FB GND
SW
IN
BST
2.7K
R3137
0.015
C3083
3.9K
R3149
1.2K
R3145
15K
R3143
OPEN
C3097
10
C3096C3094
330/4V 10
C3065
OPEN
C3606
OPEN
R3602
L3009
10uH
OPEN
C3099
OPEN
R3142
0.1
C3085
OPEN
C3091
OPEN
R3141
4.7
C3080
OPEN
C3103
0.1
C3007
4.3K
R3005
OPEN
C3121
1
2
3
45
6
7
8
IC3003
MP1472GJC452Z
SS
EN
COMP
FB GND
SW
IN
BST
4700P
C3043
0.047
C3028
0
R3098
12K
R3007
33K
R3012
10K
R3006
10
C3056
10
C3074
OPEN
C3053
0.1
C3042
OPEN
R3054
OPEN
C3095
0.1
C3001
4.7
C3022
OPEN
C3105
L3005
22uH
OPEN
C3607
OPEN
R3603
4.7K
R3608
OPEN
R3607
OPEN
C3611
1
C3610
OPEN
R3606
IC3601
AP2121AK-3.3TRE1
1 VIN
2 GND
3CE 4NU
5VOUT
1
C3609
0
R3605
OPEN
R3609
D3995 OPEN
XU
4
1
3
2
WSVT
DIGITAL MAIN CBA UNIT
(SW+12V)
*C:G5,G6,H6,J7,J11,J13,K6,K7,
K11,L8,L9,M9,M11,N9,P9.
DIGITAL SIGNAL PROCESS
/MAIN MICRO CONTROLLER
*D:D2~D5,D12,E3~E5,E7,E9,F4,F6,
F7,F10,F11,G7~G10,H7~H13,J6,
J8~J10,K5,K8~K10,K12,L5~L7,
L10,L11,P2,T8
(SWITCHING)
(SWITCHING)
(SWITCHING)
(SWITCHING)
(SWITCHING)
TO POWER SUPPLY
CBA CN501
CONTINUE
DIGITAL 3
CONTINUE
DIGITAL 5
CONTINUE
DIGITAL 5
CONTINUE
DIGITAL 1
CONTINUE
DIGITAL 3
CONTINUE
DIGITAL 2
CONTINUE
DIGITAL 6
(SWITCHING)
(SWITCHING)
(+1.2V REG.)
(+1.8V REG.)
(SWITCHING)
(+3.3V REG.)(+1.2V REG.)
(+5V REG.)
(+3.3V REG.)
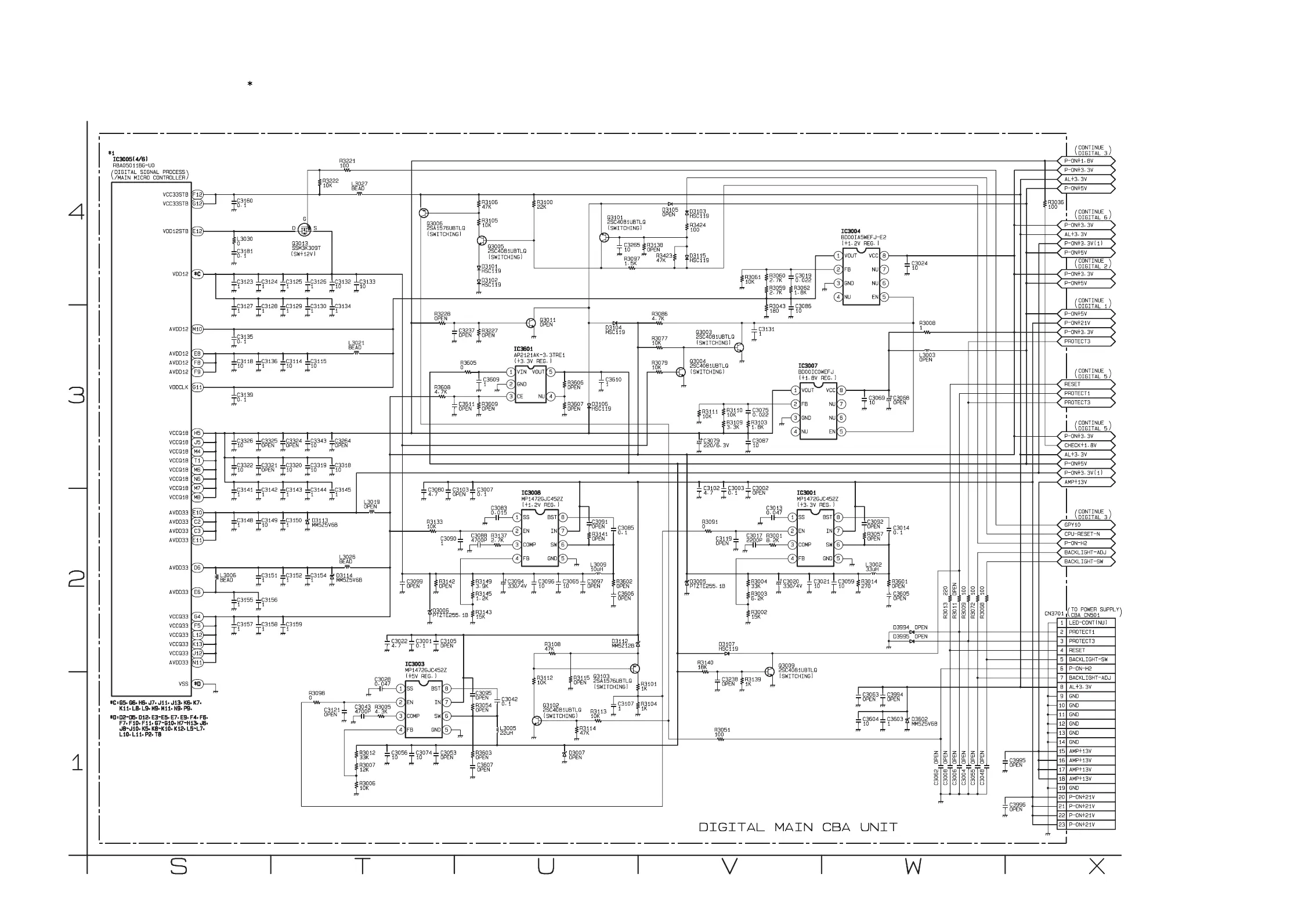
Digital Main 4 Schematic Diagram [TYPE B]
FL13.8BSCD4
The order of pins shown in this diagram is different from that of actual IC3005.
IC3005 is divided into six and shown as IC3005 (1/6) ~ IC3005 (6/6) in this Digital Main Schematic Diagram Section.
1 NOTE:

Related product manuals