EasyManua.ls Logo

FUNAI LF320FX4F - Page 49

FUNAI LF320FX4F
83 pages
Print Icon
To Next Page IconTo Next Page
To Next Page IconTo Next Page
To Previous Page IconTo Previous Page
To Previous Page IconTo Previous Page
Loading...
10-16
100
R3551
OPEN
R3555
100
R3209
A8
B7
B8
A13 LIGHT-SENS
C13 PROTECT1
A7
C12 LPF
A15 KEY-IN1
22R3316
OPENR3315
2.2C3218
2.2C3217
10KR3319
22KR3318
OPEN
R3184
OPEN
R3186
OPEN
R3185
OPEN
R3183
OPEN
C3558
18KR3335
1000PC3232
18KR3336
1000PC3233
OPENC3227
OPENC3229
OPEN
C3559
OPEN
C3556
10KR3312
B13 PROTECT3
22R3314
SP3801
SPEAKER
L-CH
N10
B6NU
A6NU
D7NU
C6NU
D11NU
C5NU
10C3220
10C3219
10KR3340
10C3216
OPEN
C3328
4KEY-IN1
5REMOTE
3GND
3 SP(R)-
2 SP(L)-
4 SP(R)+
CN3801
1 SP(L)+
AUDIO-MUTE
LED1
REMOTE
AL+3.3V
P-ON+5V
SPDIF
PROTECT3
P-ON+3.3V(1)
AUDIO(R)-IN
AUDIO(L)-IN
AMP+13V
RESET
PROTECT1
2SC4081UBTLQ
Q3501
OPEN
Q3010
D13 CHECK+1.8V
IC3005(5/6)
*1
R8A05011BG-U0
HEADPHONE
JACK
JK3703
SP3802
SPEAKER
R-CH
10
R3561
0.01C3329
100
R3553
10KR3317
100
R3552
9AL+3.3V
8P-ON+5V
7LIGHT
6LED1
2SCL(NU)
CN3101
1SDA(NU)
CHECK+1.8V
MM5Z5V6B
D3501
1
C3554
2SA1576UBTLQ
Q3502
OPEN
R3558
10K
R3559
100K
R3560
OPEN
C3555
SDA
SCL
10
R3557
10
R3556
33PC3551
33PC3552
OPEN
C3553
K14HPD-SINK
100
R3210
22
R3219
K16HP-DET
100
R3216
J16PWR
P-ON+3.3V
E1NU
G1NU
HPD-SINK
PWR
OPEN
R3320
0.22C3231
1C3223
OPENR3501
1C3224
OPENR3502
MM5Z5V6B
D3201
33K
R3220
0
R3402
0
R3401
G2NU
8
3
VCC
4
GND
5
MUTE
6
1
BIAS
7
2
IC3851
BH3547F
1
2
3
4
27
28
26
25
22
24
23
21
6
5
8
7
10
11
12
9
13
14
18
20
15
19
16
17
CONTROL
LOGIC
AVCC
POWER
LIMIT
PWM
LOGIC
DRIVE
GAIN
CONTROL
DRIVE
DRIVE
POWER
LIMIT
PWM
LOGIC
DRIVE
GND
GVDD
NU
PBTL PVCCR
PVCCR
GND
GND
PVCCL
PVCCL
IC3801
TPA3110D2PWPR
220/6.3V
C3853
1000P
C3856
10K
R3856
220/6.3V
C3854
1000P
C3855
10K
R3855
0.1
C3861
47/25V
C3857
100/16V
C3858
OPEN
R3868
1
C3852
15K
R3852
OPEN
R3854
1
C3851
15K
R3851
OPEN
R3853
0.1
C3860
100K
R3866
OPEN
C3862
10K
R3865
2SC4081UBTLQ
Q3861
CPU-RESET-N
BACKLIGHT-SW
J15RESET
100
R3191
MM5Z5V6B
D3111
1000P
C3116
56K
R3182
32
14
IC3009
PST8429UR
CDVDD
GND OUT
0.033
C3113
220
R3178
1
C3106
OPEN
D3108
1K
R3864
10K
R3861
HP-MUTE
OPEN
Q3862
OPEN
R3863
OPEN
R3869
0.22C3801
OPEN
D3801
1
C3820
1000P
C3811
L3801
10uH
OPEN
R3801
OPEN
C3807
0
R3867
OPEN
C3805
1000P
C3812
L3802
10uH
OPEN
R3802
OPEN
D3802
1
C3821
1
C3822
OPEN
D3803
1000P
C3813
L3803
10uH
OPEN
C3806
OPEN
R3803
OPEN
D3804
1000P
C3814
OPEN
R3804
OPEN
C3810
1
C3823
L3804
10uH
0.22C3802
0.22C3803
0.22C3804
10K
R3862
1C3809
2200P
C3871
220
R3871
2200P
C3870
220
R3870
1C3808
1C3819
10K
R3808
1C3816
1C3817
OPENR3807
1
C3815
0R3806
0R3811
1C3992
2SC4081UBTLQ
Q380110K
R3812
10
R3822
0.1
C3859
1.8K
R3816
10K
R3818
10K
R3817
Q3803
2SA1576UBTLQ
2SC4081UBTLQ
Q3802
47K
R3815
10K
R3805
10K
R3995
OPEN
R3813
0.1
C3993
100K
R3819
OPEN
R3814
OPEN
R3809
OPEN
R3810
1
C3825
1000P
C3824
OPEN
C3832
1
C3828
1000P
C3827
OPEN
C3833
100/16V
C3831
100/16V
C3826
100/16V
C3829
OPEN
Q3804
OPEN
R3823
OPEN
C3560
DIGITAL SIGNAL PROCESS
/MAIN MICRO CONTROLLER
TO FUNCTION CBA
UNIT CN4052
CONTINUE
DIGITAL 3
CONTINUE
DIGITAL 4
(LED DRIVE)
TO DIGITAL
MAIN 2
IC3005(2/6)
AUDIO
I/F
TO DIGITAL
MAIN 6
IC3005(6/6)
CONTINUE
DIGITAL 2
4
3
2
1
YCCBBAAZDD
CONTINUE
DIGITAL 2
CONTINUE
DIGITAL 4
DIGITAL MAIN CBA UNIT
CONTINUE
DIGITAL 6
(LED DRIVE)
(HEADPHONE AMP)
(SWITCHING)
CONTINUE
DIGITAL 3
(RESET)
(AUDIO AMP)
(SWITCHING)
(SWITCHING)
(SWITCHING)
CONTINUE
DIGITAL 3
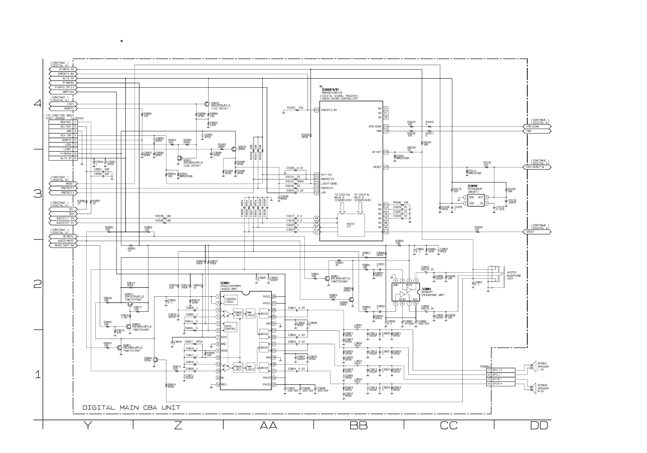
Digital Main 5 Schematic Diagram [TYPE B]
FL13.8BSCD5
The order of pins shown in this diagram is different from that of actual IC3005.
IC3005 is divided into six and shown as IC3005 (1/6) ~ IC3005 (6/6) in this Digital Main Schematic Diagram Section.
1 NOTE:

Related product manuals