EasyManua.ls Logo

FUNAI LT6-M22BB - Page 21

FUNAI LT6-M22BB
64 pages
Print Icon
To Next Page IconTo Next Page
To Next Page IconTo Next Page
To Previous Page IconTo Previous Page
To Previous Page IconTo Previous Page
Loading...
7-2
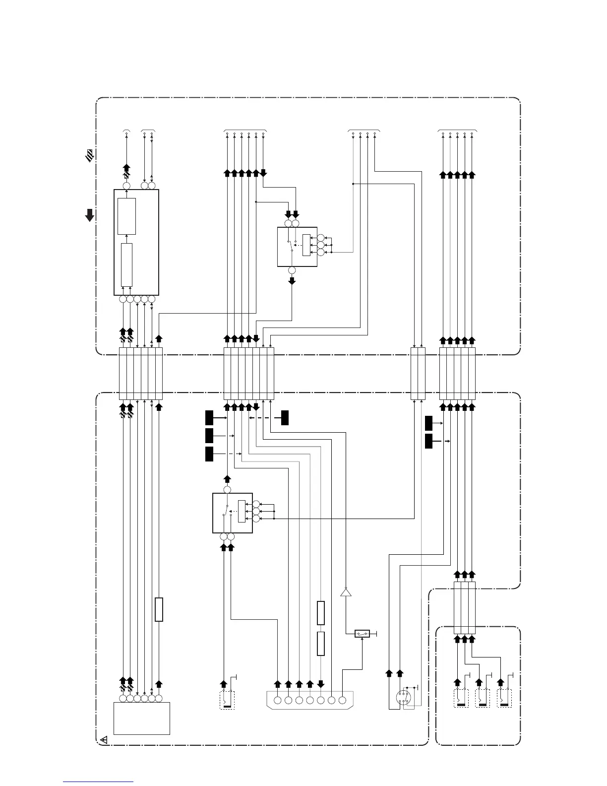
Video Block Diagram
A8C72BLV
CN102A CN4503
CN101A CN3701
VIDEO SIGNAL
TU-VIDEO13 13
VIDEO-R323
VIDEO-G422
VIDEO-B521
S-VIDEO-Y23 3
S-VIDEO-C25 1
COMP-Pr21 5
COMP-Pb20 6
COMP-Y18 8
VIDEO125
VIDEO-OUT
6
BUFFER
Q505
TU-CVBS11 13
IC3823
(INPUT SELECT)
SW CTL
4
109 11
5
3
TU-CVBS
DTV-CVBS
TU501
DIF-OUT1
15
DIF-OUT2
16
(TUNER UNIT)
IF-AGC
17
8
SCL
9SDA
CN103A CN3704
DIF-OUT120 4
IF-AGC18 6
SCL15 9
SDA16 8
DIF-OUT222 2
IC3824 (DEMODULATOR)
64
63
SCL
SDA
2
IF-AGC
57
58
DEMODULATOR
MPEG2-TS
INTERFACES
13
VIDEO
VIDEO-R
VIDEO-G
VIDEO-B
TO DIGITAL
SIGNAL
PROCESS
BLOCK
DIAGRAM
S-VIDEO-Y
S-VIDEO-C
TO DIGITAL
SIGNAL
PROCESS
BLOCK
DIAGRAM
COMP-Pb
COMP-Y
COMP-Pr
TS-DATA
TO DIGITAL
SIGNAL
PROCESS
BLOCK
DIAGRAM
25
26
SCL
SDA
SCL
SDA
TO SYSTEM
CONTROL
BLOCK
DIAGRAM
AUDIO SIGNAL
INPUT2
TO SYSTEM
CONTROL
BLOCK
DIAGRAM
MAIN CBA DIGITAL MAIN CBA UNIT
15
11
7
VIDEO-B
VIDEO-G
VIDEO-R
JK721
S-VIDEO-IN
CY
8
19
20VIDEO-IN
VIDEO-OUT
SLOW-SW
16
RAPID-SW
Q726 Q744
JK722
JK751
VIDEO-IN
JK11
BUFFER BUFFER
S-SW123
IC851
(INPUT SELECT)
SW CTL
15
109 11
1
2
CN103A
INPUT2618
CN3704
SLOW-SW123 3
Q731
Q734
FBIN122 4
COMPONENT
-Y-IN
JK12
COMPONENT
-Pb-IN
JK13
COMPONENT
-Pr-IN
JACK CBA
CN107CN11
COMP-Y11
COMP-Pb22
COMP-Pr44
SLOW-SW1
FBIN1
S-SW
WF7WF6WF5
WF4
WF3WF2

Related product manuals