EasyManua.ls Logo

FUNAI LT6-M22BB - Page 23

FUNAI LT6-M22BB
64 pages
Print Icon
To Next Page IconTo Next Page
To Next Page IconTo Next Page
To Previous Page IconTo Previous Page
To Previous Page IconTo Previous Page
Loading...
7-4
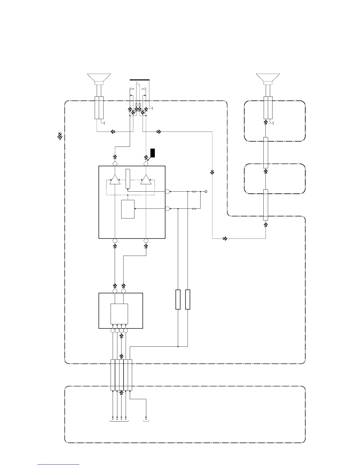
Audio-2 Block Diagram
A8C72BLA2
DIGITAL MAIN CBA UNIT
AUDIO SIGNAL
14
IC801 (AUDIO AMP)
7
VOLUME
11
AMP
AMP
(R-CH)
(L-CH)
2
Q805
+9V
WF1
6
1
AMP MUTE
JK801
HEADPHONE
JACK
SP451
SPEAKER
R-CH
CN451
CL451
SP(R) 1
SP-GND
2
SP802
SPEAKER
L-CH
CN802 CL802
SP(L) 1
SP-GND
2
MAIN CBA
MUTE
/STANDBY
CONTROL
IC802
(AUDIO D/A CONVERTER)
D/A
CONVERTER
(L-CH)
(R-CH)
15
14
5
6
7
8
ACLK14 12
A DATA13 13
BCLK12 14
LRCLK11 15
CN101ACN3701
AMP-MUTE917
ACLK
BCLK
LRCLK
A DATA
TO
DIGITAL
SIGNAL
PROCESS
BLOCK
DIAGRAM
AMP-MUTE
TO SYSTEM
CONTROL
BLOCK
DIAGRAM
JUNCTION
CBA
SP(R)13 13SP(R)13 13
CN404ACN105A
CN404B
CL404
INVERTER CBA
Q802
SWITCHING

Related product manuals