EasyManua.ls Logo

Furrion FFG30FA - Wiring Diagram

Furrion FFG30FA
38 pages
Print Icon
To Next Page IconTo Next Page
To Next Page IconTo Next Page
To Previous Page IconTo Previous Page
To Previous Page IconTo Previous Page
Loading...
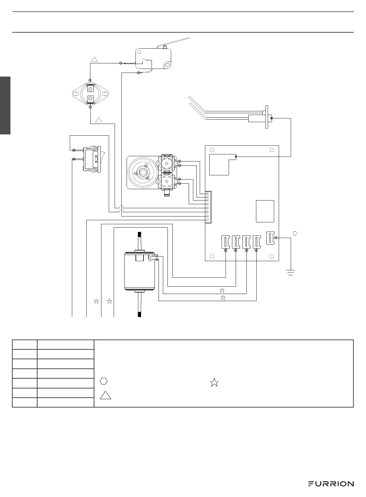
WIRING DIAGRAM
BK
BK
R
R
GND
GND
Y G
FAN-
Relay
IGNITION
CONTROL
SAIL SWITCH
LIMIT
SWITCH
VALVE
Rocker
Switch
FAN+
DC+ DC-
MOTOR
THERMOSTAT
THERMOSTAT
+ 12V DC
- 12V DC
BL BL
BL
BL
BK
BK
BR
BR
W
W
R
CODE COLOR ALL WIRES ARE 22 AWG UNLESS OTHERWISE SPECIFIED. NOTE: IF THE ORIGINAL
WIRES THAT COME WITH ELECTRICAL APPLIANCES NEED TO BE REPLACED, THE
TEMPERATURE RESISTANCE OF WIRE MATERIALS SHOULD NOT BE LOWER THAN THE
NOMINAL VALUE OF THE ORIGINAL WIRES.
R RED
BL BLUE
BK BLACK
W WHITE
BR BROWN
Y G YELLOW GREEN
18AWG UL1015 105°C
14AWG UL1015 105°C
22AWG UL3122 200°C
English

