EasyManua.ls Logo

Furrion FFG30FA - Schéma de Câblage

Furrion FFG30FA
38 pages
Print Icon
To Next Page IconTo Next Page
To Next Page IconTo Next Page
To Previous Page IconTo Previous Page
To Previous Page IconTo Previous Page
Loading...
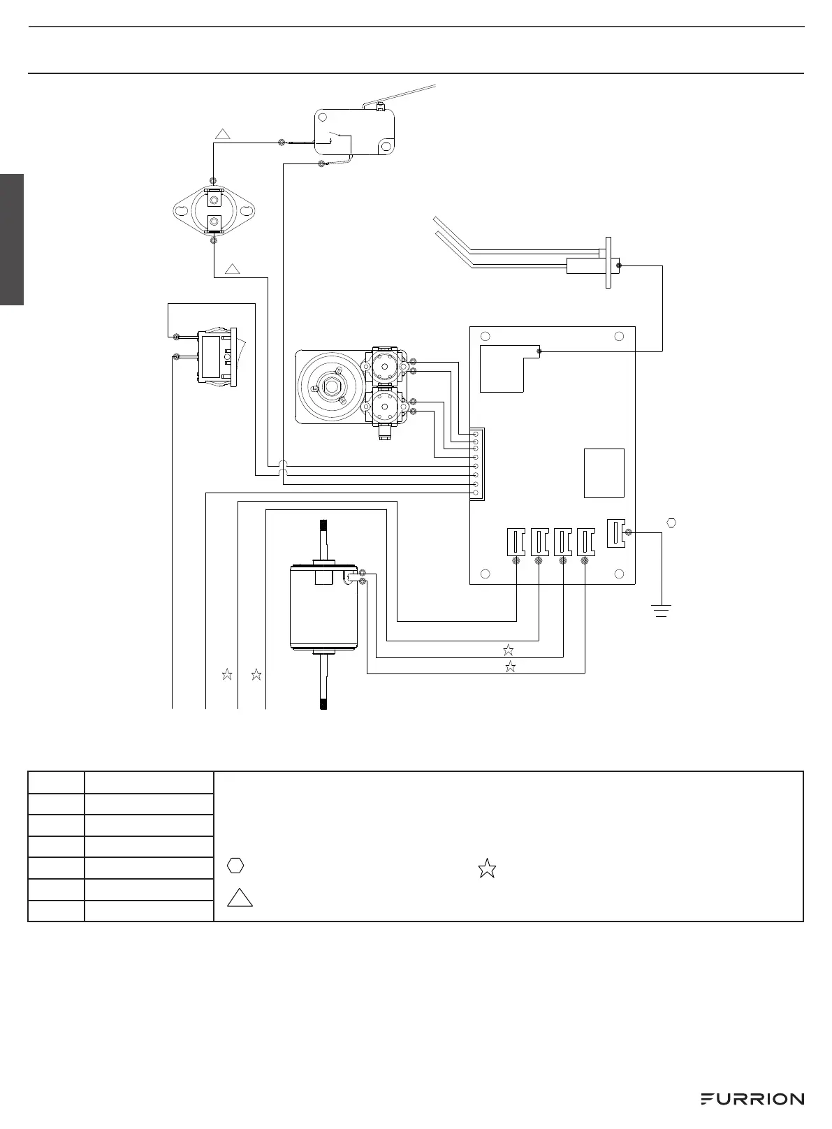
SCHÉMA DE CÂBLAGE
BK
BK
R
R
GND
GND
Y G
FAN-
Relais
COMMANDE
D’ALLUMAGE
INTERRUPTEUR DE
VOILE
INTERRUPTEUR
DE LIMITATION
VALVE
Interrupteur à
bascule
FAN+
DC+ DC-
MOTEUR
RACCORDEMENT AU GAZ PAR LARRIÈRE
RACCORDEMENT AU GAZ PAR LARRIÈRE
+ 12V DC
- 12V DC
BL BL
BL
BL
BK
BK
BR
BR
W
W
R
  



D 
BL 
BK 
W 
BR 
Y G 



Français
CCD-0006025 Rév: 27-02-23
- 17 -