EasyManua.ls Logo

Future light EYE-15 - Overview

Future light EYE-15
Print Icon
To Next Page IconTo Next Page
To Next Page IconTo Next Page
To Previous Page IconTo Previous Page
To Previous Page IconTo Previous Page
Loading...
00075751.DOC, Version 1.1 33/54
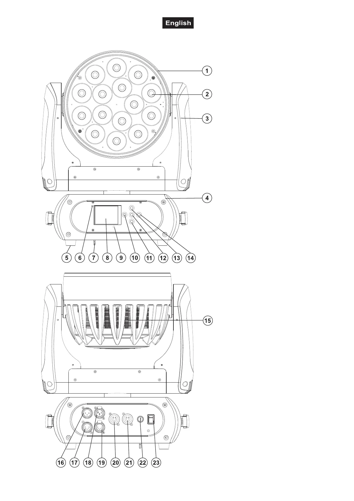
Overview
(1) Projector head
(2) LED
(3) Yoke
(4) Base
(5) Rubber foot
(6) Wireless indicator
(7) Safety eyelet
(8) LCD display
(9) Microphone
(10) Arrow button left
(11) Arrow button down
(12) Enter button
(13) Arrow button up
(14) Arrow button right
(15) Fan
(16) 3-pin DMX input socket
(17) 5-pin DMX input socket
(18) 3-pin DMX output socket
(19) 5-pin DMX output socket
(20) Power input
(21) Power output
(22) Fuse holder
(23) Power switch

Related product manuals