EasyManua.ls Logo

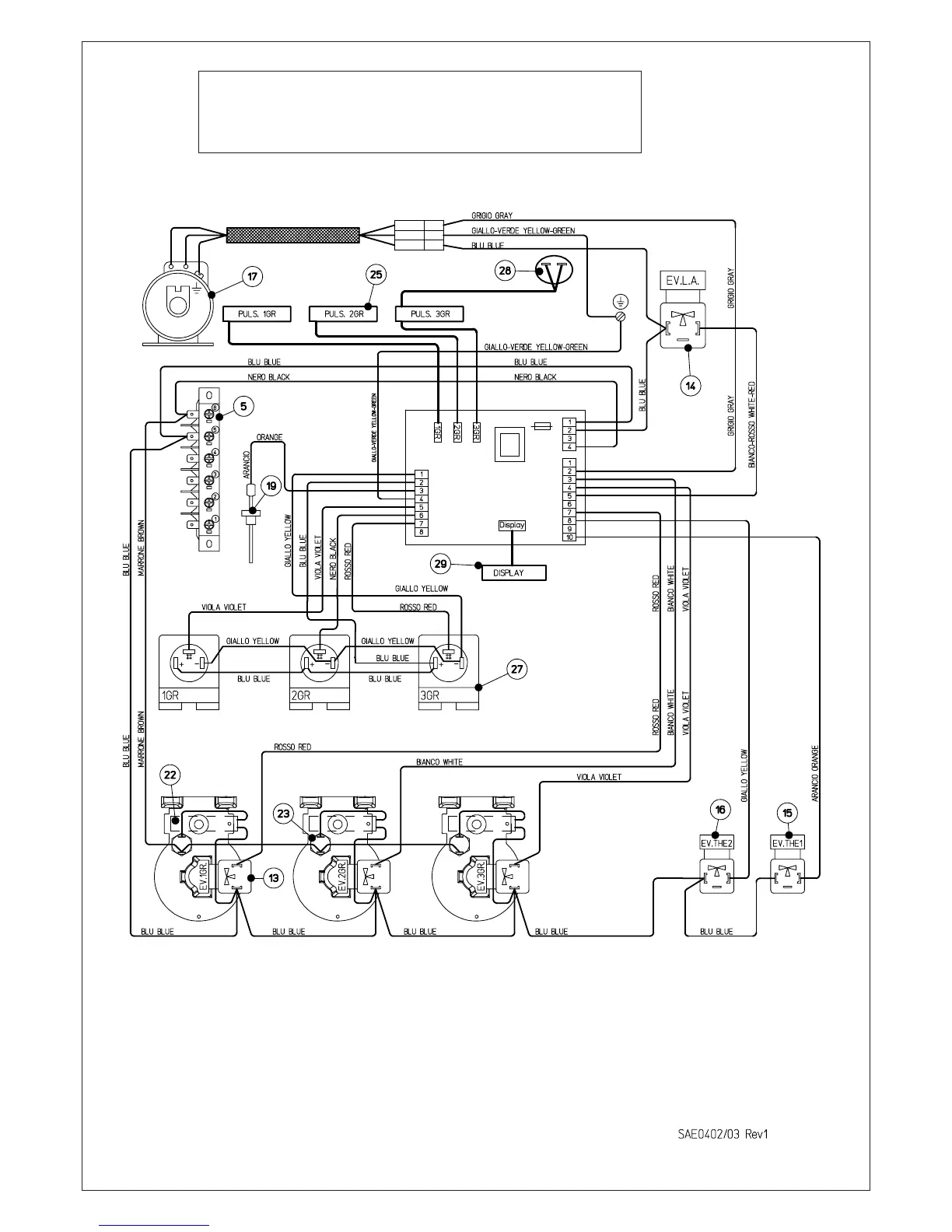
Gaggia GD - GD 3 GR. Control Section of the Electrical Circuit

Gaggia GD
Print Icon
To Next Page IconTo Next Page
To Next Page IconTo Next Page
To Previous Page IconTo Previous Page
To Previous Page IconTo Previous Page
Loading...
GD 3 GR.
CIRCUITO DI COMANDI - POWER DRIVES - STEUERUNGSYSTEM-
CIRCUIT DE COMMANDEMENT - CIRCUITO DE MANDO
CONTROL SECTION OF THE ELECTRICAL CIRCUIT

Table of Contents