EasyManua.ls Logo

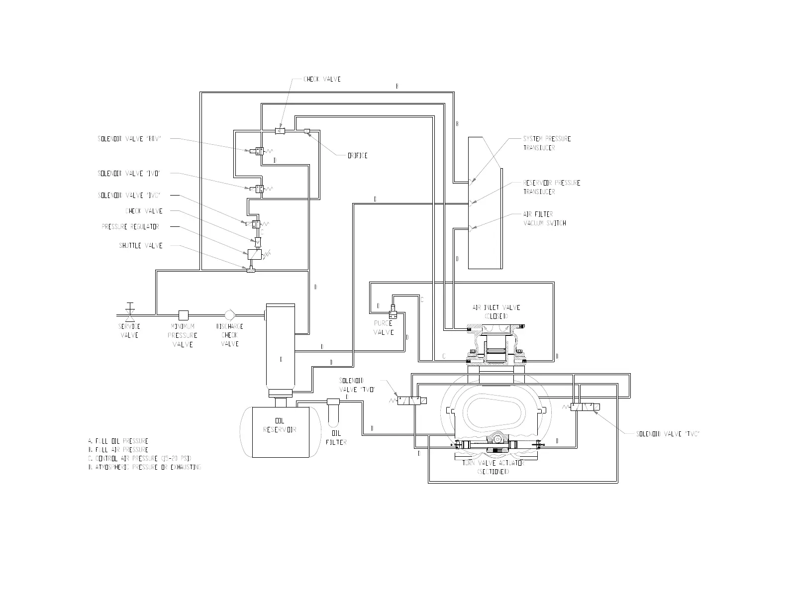
Gardner Denver EAP99J - Figure 4-12 - Control Schematic - Compressor Fully Loaded - Low Demand Mode Switch on

Gardner Denver EAP99J
76 pages
Print Icon
To Next Page IconTo Next Page
To Next Page IconTo Next Page
To Previous Page IconTo Previous Page
To Previous Page IconTo Previous Page
Loading...
13-9-663 Page 39
Figure 4-12 – CONTROL SCHEMATIC – COMPRESSOR FULLY LOADED – LOW DEMAND MODE SWITCH ON
EAH, EAM & EAP UNITS ONLY
216ECM797-B
(Ref. Drawing

Table of Contents

Related product manuals