EasyManua.ls Logo

Gardner Denver EBPSMB - Reservoir Oil; Shuttle Valve; Units Only

Gardner Denver EBPSMB
76 pages
Print Icon
To Next Page IconTo Next Page
To Next Page IconTo Next Page
To Previous Page IconTo Previous Page
To Previous Page IconTo Previous Page
Loading...
x
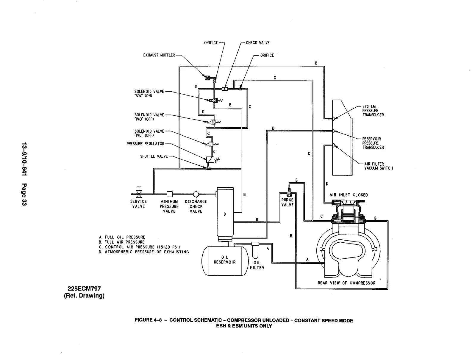
RESERVOIR
PRESSW
TRANSDUCER
AIR FILTER
VACW WITCH
ORIFICE
CHECK VALVE
EXHAUST MUFFLER
ORIFICE
B
II \ / I I
c
D
SOLENOIDVALVE~
BDV” (ON)
D
SOLENOIDVALVE_
‘IVO” (OFF)
SOLENOIDVALVE>
“IVC-(OFF)
PRESSURE REGWATOR>
SHUTTLE VALVE_
*
SERVICE
VALVE
A. FULL OIL PRESSURE
B. FULL AIR PRESSURE
c
B
c
~
7
v
[
MINIMUM DISCHARGE
PRESSURE CHECK
VALVE VALVE
B
B
.
C. CONTROL AIR PRESSURE (15-20 PSI)
m
A
D. ATMOSPHERIC PRESSURE OR EXHAUSTING
OIL
RESERVOIR
OIL
FILTER
225ECM797
(Ref. Drawing)
R
SYSTEM
PRESSK
TRANSDUCER
AIR INLET CLOSEO
B
REAR VIEW OF COMPRESSOR
FIGURE 4-8 - CONTROL Schematic- COMPRESSOR UNLOADED -CONSTANT SPEED MODE
EBH & EBM UNITS ONLY

Table of Contents

Related product manuals