EasyManua.ls Logo

Gardner Denver EBPSMB - Page 48

Gardner Denver EBPSMB
76 pages
Print Icon
To Next Page IconTo Next Page
To Next Page IconTo Next Page
To Previous Page IconTo Previous Page
To Previous Page IconTo Previous Page
Loading...
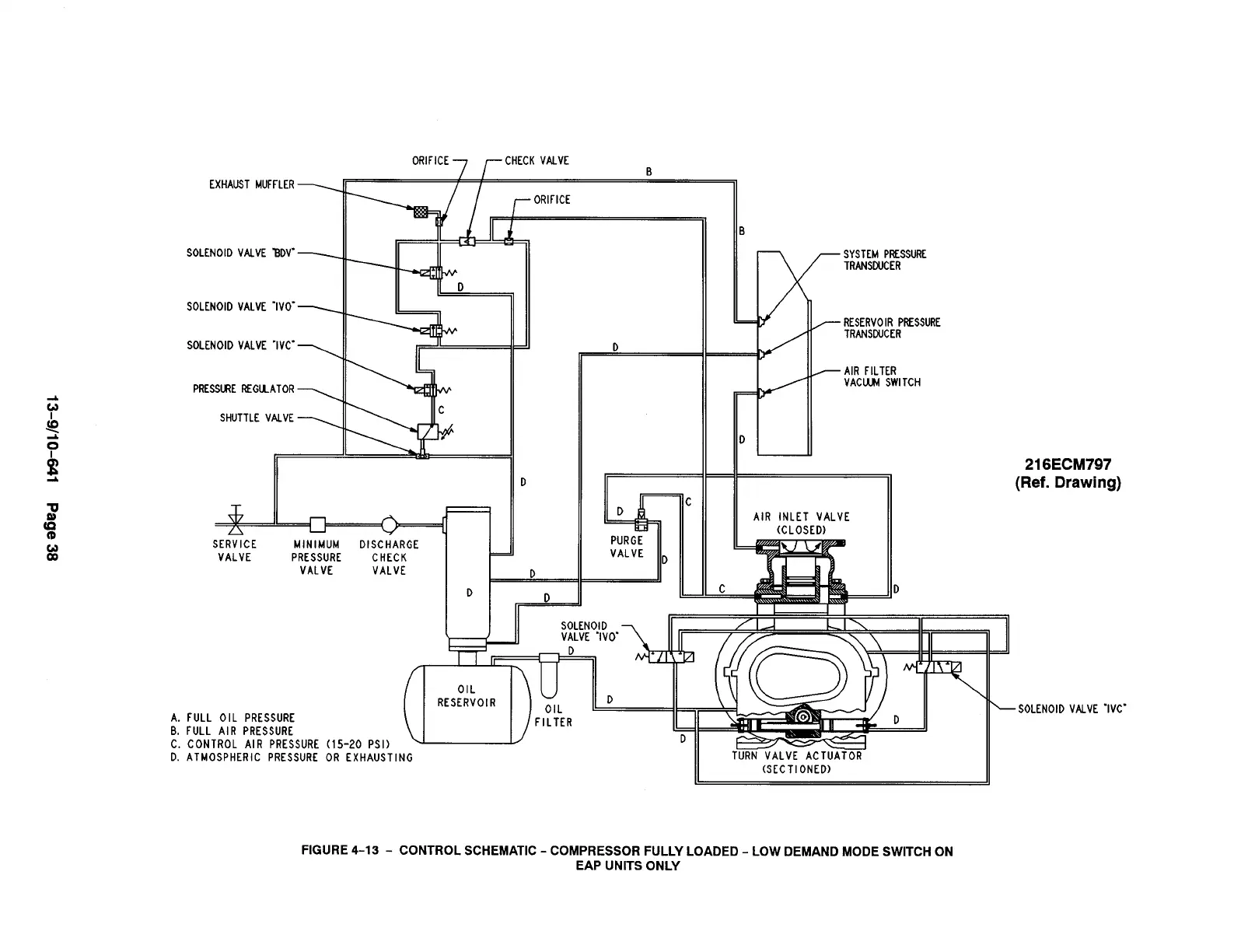
ORIFICE~ /- CHECK VALVE
u
EXHAUST MUFFLER~
SOLENOIO VAIVE BDV”~
SOLENOID VALVE “lVO-~
SOLENOID VALVE “IVC”_
PRESS~E REGU-ATOR -
SHUTTLE VALVE _
ORIFICE
i,
*
D
7
A
n
u
A
v
{
SERVICE
MINIMUM OISCHARGE
VALVE PRESSURE
CHECK
)
w
SYSTEM PRESSURE
TRANSDUCER
.
- RESERVOIRPRESSURE
TRNSWCER
c AIR FILTER
VACU SWITCH
AIR INLET VALVE
(CLOSED)
2[ W1_
L
D
PURGE
VALVE D
VALVE VALVE
*‘>
c
A. FULL OIL PRESSURE
B. FULL AIR PRESSURE
C. CONTROL AIR PRESSURE
D. ATMOSPHERIC PRESSURE
216ECM797
(Ref. Drawing)
D
(15-20 PSI)
OR EXHAUST I
SOLENOID VflVE “IVC”
FIGURE 4-13- CONTROL SCHEMATIC - COMPRESSOR FULLY LOADED - LOW DEMAND MODE SWITCH ON
EAP UNITS ONLY

Table of Contents

Related product manuals