EasyManua.ls Logo

Gardner Denver EBPSMB - Page 50

Gardner Denver EBPSMB
76 pages
Print Icon
To Next Page IconTo Next Page
To Next Page IconTo Next Page
To Previous Page IconTo Previous Page
To Previous Page IconTo Previous Page
Loading...
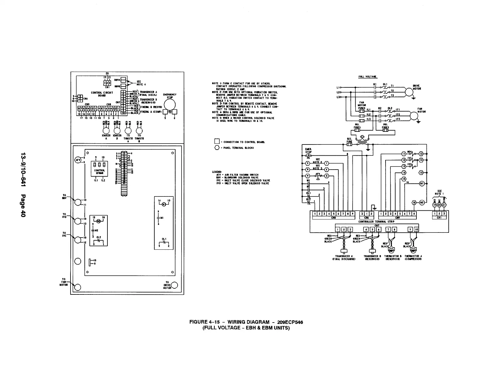
NOIC If FM C CONTACT FM M BY 0TH2M,
CWIAC1 0K~72S F~LOMN@ CCU~SSOR WTOOH
RATlll@ 1’20VAC. 2 M.
NOIE Z Fm u82 WITH WTIONN. vIMATIOH WITCIA
KMOVE .BNIKR 42~[N ~l12Al$ 7 & 9, COk
NCC1 4.2, V14RA110N SAllCH C0N7ACT TO T2W
INNS 719.
N07C 9 fOR CU21ROL IV R2MOK COMIAC1, R2K0v2
MtR X~# ~lKNS 6 1 !. CONN2C7 CON-
TACT TO T2RNIIIALS 6 & +.
N07t 4 W*A & mb m FOR M OF WTIMN
cqlcATlw$ CMLL
MOT1 $ V’t12MA WA~ COMTROl $0L2N01b VUVC
1$ u420. WIK 10 rmlnu$ 1; A 10,
•1
s CO NUECTIM TO CONTROL 20~.
o s PAN,, 72MlNAl 4L0CKS
M42nb
AIV - AIR FILER VACU92 $MICH
Wv - W*W sm0201B VMV[
lVC - 12U27 Vuvl ao$c $012M01b VUVE
lvo - lKC1 VALV2 m $OL2NOID VNV[
-—
I
co R
—-
+
J
M
,1mv ,0
,2
IVC ,0
,3 Ivo
W ‘“
FIGURE 4-15 - WIRING DIAGRAM - 209ECP546
(FULL VOLTAGE - EBH & EBM UNITS)

Table of Contents

Related product manuals