EasyManua.ls Logo

GE af-600 fp - Copyright, Limitation of Liability and Revision Rights

GE af-600 fp
260 pages
Print Icon
To Next Page IconTo Next Page
To Next Page IconTo Next Page
To Previous Page IconTo Previous Page
To Previous Page IconTo Previous Page
Loading...
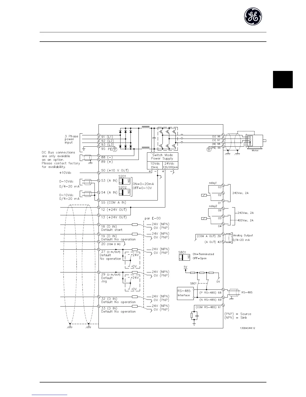
3.4 Electrical Installation
This section contains detailed instructions for wiring the drive. The following tasks are described.
Wiring the motor to the drive output terminals
Wiring the AC line power to the drive input terminals
Connecting control and serial communication wiring
After power has been applied, checking input and motor power; programming control terminals for their intended
functions
Illustration 3.4 shows a basic electrical connection.
Illustration 3.4 Basic Wiring Schematic Drawing.
Installation AF-600 FP Quick Guide
DET-759A 5
3
3

Other manuals for GE af-600 fp

Related product manuals