EasyManua.ls Logo

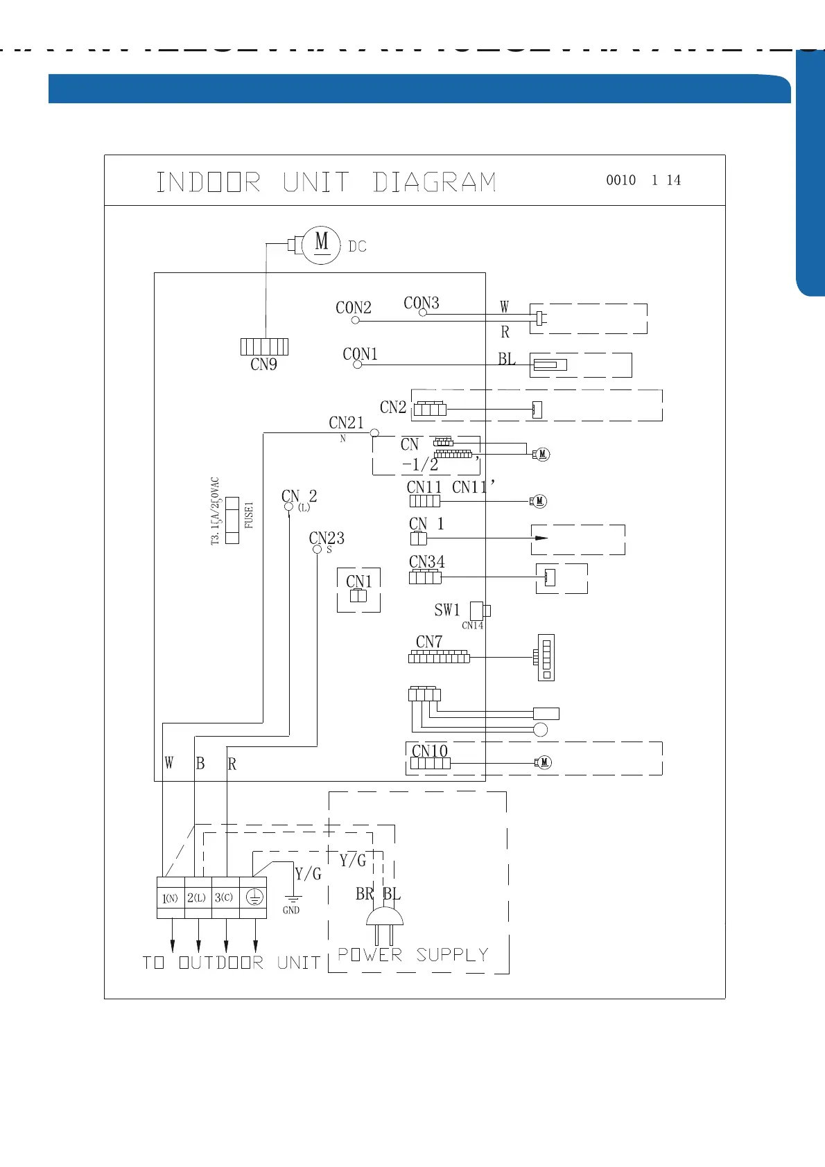
GE ASH112CRAWA - Indoor Board Diagram

GE ASH112CRAWA
80 pages
Print Icon
To Next Page IconTo Next Page
To Next Page IconTo Next Page
To Previous Page IconTo Previous Page
To Previous Page IconTo Previous Page
Loading...
REFERENCE INFORMATION
PAGE 62
ENGLISH
Indoor Board Diagram
HA
AW12ES2VHA
AW18ES2VHA
AW24ES2
Up-down
stepmotor
Fan motor
EMERGENCY
SWITCH
RECEIVER DISPLAY
AMBIENT TEMP SENSOR
PIPING TEMP SENSOR
Right stepmotor
left stepmotor
Fresh air
Room card
@
WiFi
@
@
W
ire controller
@
Ion generator
18-24K
CN5 CN5
5
5
5
CN6
56
5

Table of Contents