EasyManua.ls Logo

GE CT ProSpeed Series - Page 73

GE CT ProSpeed Series
184 pages
Print Icon
To Next Page IconTo Next Page
To Next Page IconTo Next Page
To Previous Page IconTo Previous Page
To Previous Page IconTo Previous Page
Loading...
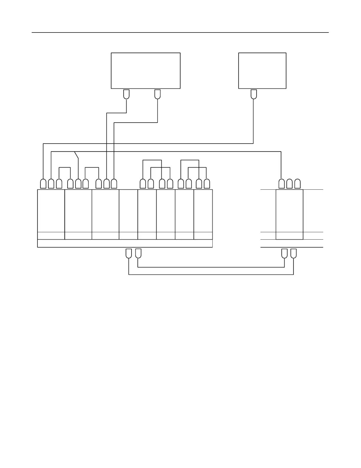
GE MEDICAL SYSTEMS CT PROSPEED SERIES INSTALLATION
2124011
3-35
REV 15
OCCM4
OVL2
IFB2
FCP2A
FCP1
FCP3B
FMD
DMP2
4 3 6 5 4 3 3 4 5 3 4 3 4 3 4 3 4 4 5 3
11 12 13 14 15 16 17 18 24
ZJDCBB ZJBB or FZJBB
1
2
214
213
5 6 3
MV–AMP
II ASSY
MFCCTL3 ASSY
(SLOT
#01)
(SLOT #02)
VIDEO IN
DOT CLOCK IN
OPERAT
OR CONSOLE CONNECTIONS
ILLUSTRA
TION 3–24

Related product manuals