EasyManua.ls Logo

GE GBS22**P - Page 24

GE GBS22**P
31 pages
Print Icon
To Next Page IconTo Next Page
To Next Page IconTo Next Page
To Previous Page IconTo Previous Page
To Previous Page IconTo Previous Page
Loading...
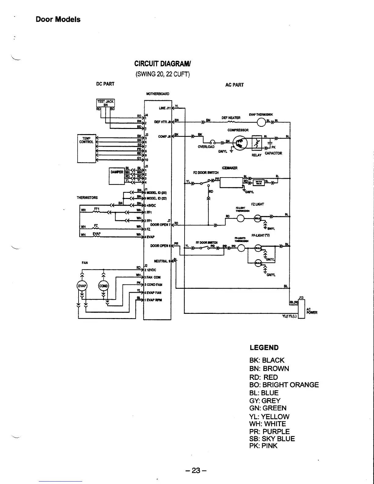
Door
Models
CIRCUIT
DIAGRAM/
(swlNG
20,22CUF\
IEI'TRAL
EVAPnfl
o,ERtoaD
AA-l-j:L.Lslpr
Gtrvl?-
frducnon
,I\
taurr
FF.I,IGHITz}
ffi
ilTB
LEGEND
BK: BLACK
BN:
BROWN
RD: RED
BO: BRIGHT ORANGE
BL: BLUE
GY GREY
GN: GREEN
YL: YELLOW
WH: WHITE
PR: PURPLE
SB: SKY BLUE
PK: PINK
-23-

Related product manuals