EasyManua.ls Logo

GE GRS500PVSS - Oven Controls

GE GRS500PVSS
60 pages
Print Icon
To Next Page IconTo Next Page
To Next Page IconTo Next Page
To Previous Page IconTo Previous Page
To Previous Page IconTo Previous Page
Loading...
49-2001190 Rev. 2 7
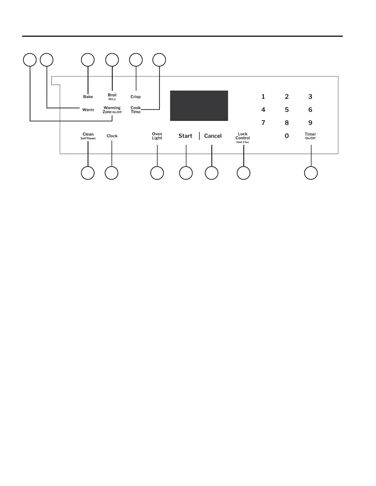
1. Bake: See the Cooking Modes section for more
information.
2. Broil High/Low: See the Cooking Modes
section for more information.
3. Crisp: The Crisp mode is designed to produce
foods with a crispier exterior than traditional oven
cooking. See the Cooking Modes section for more
information.
4. Warm: Warm mode is designed to keep hot
foods hot for up to 2 hours. See the Cooking
Modes section for more information.
5. Clean: Your oven has the following cleaning
modes: Self-Clean and Steam Clean. See the Care
and Cleaning section for important information about
using these modes.
6. Warming Zone: The Warming Zone will keep
hot, cooked food at serving temperatures. See the
8VLQJ <RXU &RRNWRS VHFWLRQ IRU PRUH LQIRUPDWLRQ
7. Start: Must be pressed to start any cooking,
cleaning, or timed function. Also used to start the
Warming Zone on the cooktop.
8. Cancel: Cancels ALL oven operations except the
clock and timer. Does NOT cancel the Warming
Zone on the cooktop.
9. Clock: Sets the oven clock time. Press the Clock
pad then use the number pads to enter the desired
time of day. Press Start to save the time.
10. Cook Time: Counts down cooking time and turns
off the oven when the cooking time is complete.
To use the Cook Time function, set the desired
cooking mode and cooking temperature, then press
the Cook Time SDG 8VH WKH QXPEHU SDGV WR HQWHU
the desired cooking time in hours and minutes.
Press Start to begin the countdown.
7KLV FDQ RQO\ EH XVHG ZLWK %DNH &ULVS DQG :DUP
11. Timer On/Off: Works as a countdown timer.
NOTE: The oven will continue to operate when the
timer countdown is complete. To set the timer, press
the Timer On/Off pad, then use the number pads to
enter the time in hours and minutes. Press Start to
begin the countdown. To turn the timer off, press the
Timer On/Off pad.
12. Oven Light: Turns the oven light on or off.
13. Lock Control: Locks out the control so that
pressing any pad does not activate the controls. To
use this feature, press and hold the Lock Control
pad, for three seconds to lock or unlock the control.
USING YOUR APPLIANCE: Oven Controls
Oven Controls
1462310
5 9 12 138711