EasyManua.ls Logo

GE GTS16DTH - EDC Cooling Circuit Diagram

GE GTS16DTH
64 pages
Print Icon
To Next Page IconTo Next Page
To Next Page IconTo Next Page
To Previous Page IconTo Previous Page
To Previous Page IconTo Previous Page
Loading...
– 30 –
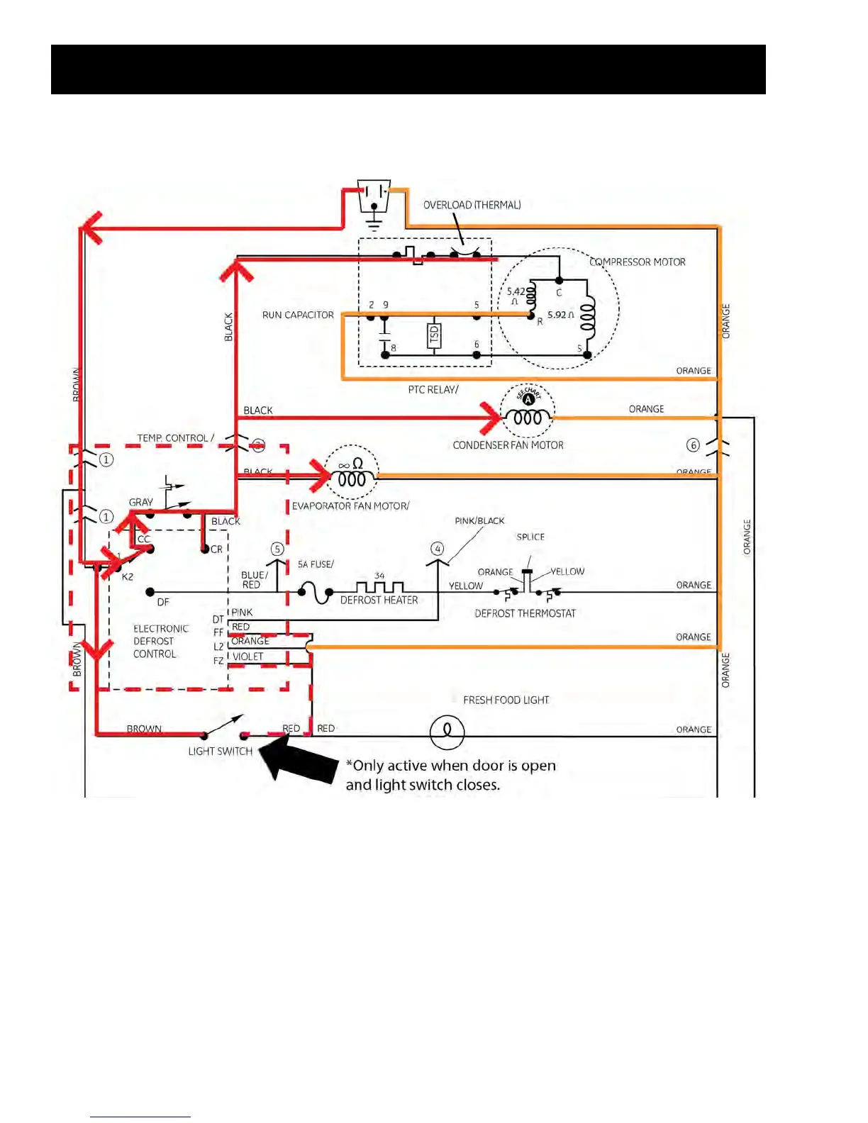
EDC Cooling
The compressor operation is controlled by the cold control, which is external to the EDC board. The EDC
board is summing the compressor run time by monitoring the compressor voltage at pin CR.
Freezer door monitoring is not used on these models since there are no lights in the freezer.
NOTE: The 286 seconds of accumulated time per fresh food door opening takes in account for the
lack of a freezer door switch.

Related product manuals