EasyManua.ls Logo

GE GTS16DTH - EDC Dwell Period

GE GTS16DTH
64 pages
Print Icon
To Next Page IconTo Next Page
To Next Page IconTo Next Page
To Previous Page IconTo Previous Page
To Previous Page IconTo Previous Page
Loading...
– 32 –
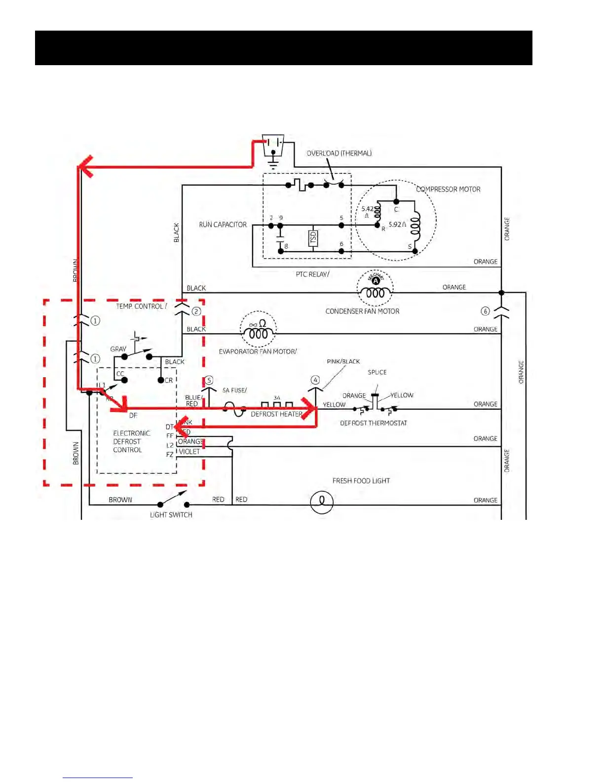
EDC Dwell
Dwell
During the 15 minute dwell time, the K2 relay continues to keep the compressor o.
When the defrost thermostat opens, the dwell time timer is activated. Except when the defrost
heater on time exceeds 25 minutes.

Related product manuals