EasyManua.ls Logo

GE GXRV40TBN - Page 11

GE GXRV40TBN
32 pages
Print Icon
To Next Page IconTo Next Page
To Next Page IconTo Next Page
To Previous Page IconTo Previous Page
To Previous Page IconTo Previous Page
Loading...
11
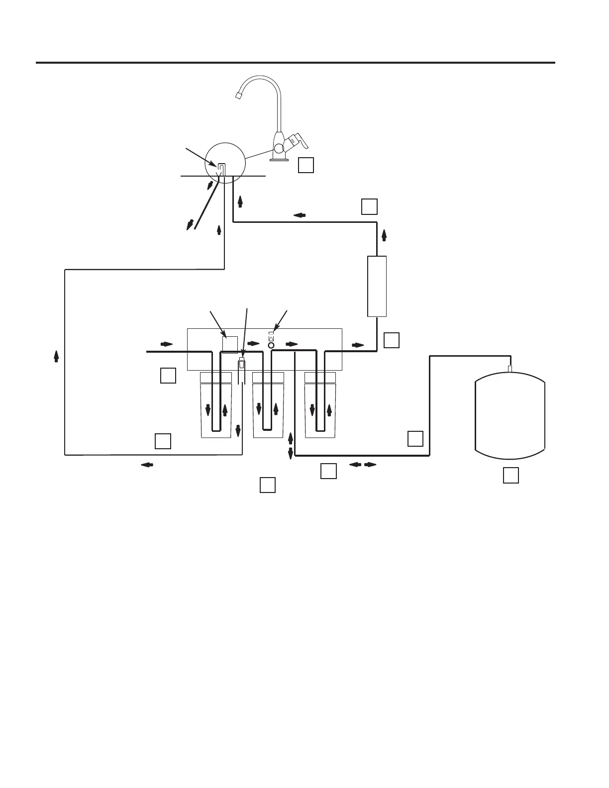
USING THE REVERSE OSMOSIS SYSTEM: How the System Works
Using the Reverse Osmosis System
Water Flow Description
1. Water enters prefilter. Sand, silt and other sediments are reduced. Chlorine is also reduced.
2. Water leaves prefilter and proceeds to the Reverse Osmosis cartridge.
3. Water enters the Reverse Osmosis membrane. Dissolved solids are reduced.
4. Processed water leaves the Reverse Osmosis membrane and flows to the storage tank.
5. Drain water with dissolved solids leaves the Reverse Osmosis membrane and flows to the drain.
6. Faucet is activated.
7. Processed water leaves the storage tank and flows to the postfilter, where it is filtered to ensure fresh taste.
8. Processed water enters the remineralization/antimicrobial filter, adding back natural minerals present in water
(previously reduced in the reverse osmosis process) and reducing bacteria.
9. Water flows to the Reverse Osmosis product water faucet.
1
3
4
5
6
7
8
Reverse Osmosis Water Flow Schematic
PRODUCT WATER
Air Gap
PRODUCT
WATER FAUCET
DRAIN WATER
WATER
IN
Gravity
Drain
BL
ACK
BLUE
GREEN
RED
YELLOW
PREFILTER
POSTFILTER
Check
Valve
Drain Flow
Control
AUTOMATIC
SHUTOFF
RO
MEMBRANE
PRODUCT
WATER
STORAGE
TANK
2
9
REMINERALIZATION/
ANTIMICROBIAL
FILTER
BLUE

Related product manuals