EasyManua.ls Logo

GE Multilin 350 - Page 26

GE Multilin 350
188 pages
Print Icon
To Next Page IconTo Next Page
To Next Page IconTo Next Page
To Previous Page IconTo Previous Page
To Previous Page IconTo Previous Page
Loading...
6
BE1-27, 59, 27/59
CONNECTIONS
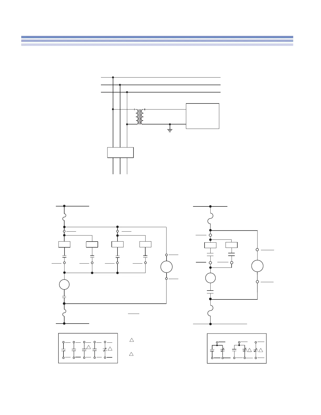
Figure 4 - Control Circuits
Figure 3 - Voltage Sensing
TARGET
TARGET
POWER
T
I
52a
1
1
2
2
1
2
AUXILIARY CONTACTS
AUXILIARY CONTACTS
27/59
17
TOV
TUV
T
IIUV IOV
27/59
19
27/59
15
27/59
16
27/59
15
27/59
14
27/59
14
27/59
14
27/59
20
27/59
18
27 or 59
8
27 or 59
18
27 or 59
5
27 or 59
4
27 or 59
3
27 or 59
1
27 or 59
10
27 or 59
2
27 or 59
19
27 or 59
19
27 or 59
9
27 or 59
20
27 or 59
20
LEGEND:
When Option 2 is A or B, the NC contacts
associated with K6 (terminals 14 and 15)
are dedicated for the Power Supply
Status Output.
When Option 2 is A or B, the NC contacts
associated with K4 (terminals 19 and 20)
are dedicated for the Power Supply
Status Output.
27/59
52a
52TC
TUV
TOV
IUV
IOV
Under/Overvoltage Relay
Breaker Aux. Contacts
Breaker Trip Coil
Timed Undervoltage
Timed Overvoltage
Instantaneous Undervoltage
Instantaneous Overvoltage
52a
52
TC
52
TC
27/59
1
27/59
2
27/59
10
27/59
13
27/59
11
27/59
12
27/59
4
27/59
3
POWER
TARGET
TARGET
TARGET
TARGET
+ +
-
-
TOV TUV
IOV
IUV
A
B
C
6
7
52
BE1-27
BE1-59
BE1-27/59

Related product manuals