EasyManua.ls Logo

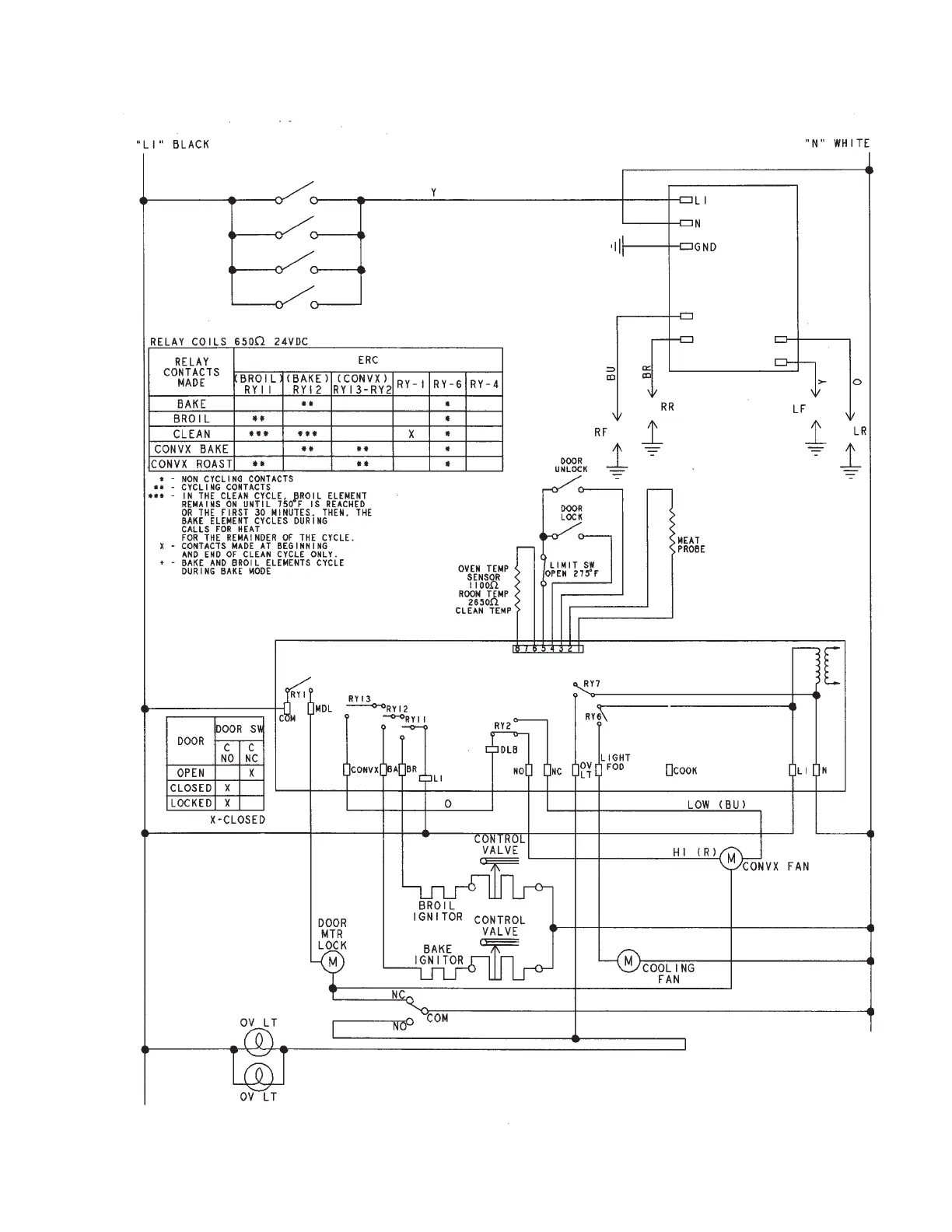
GE Profile J2S968 SERIES - All Gas Range Schematic with Convection Fan JGS968

GE Profile J2S968 SERIES
63 pages
To Next Page IconTo Next Page
To Next Page IconTo Next Page
To Previous Page IconTo Previous Page
To Previous Page IconTo Previous Page
Loading...
– 57 –
All Gas Range Schematic with Convection Fan JGS968

Table of Contents

Related product manuals