EasyManua.ls Logo

GE STD16C - Page 29

GE STD16C
44 pages
Print Icon
To Next Page IconTo Next Page
To Next Page IconTo Next Page
To Previous Page IconTo Previous Page
To Previous Page IconTo Previous Page
Loading...
GEK-45307
74
WCaJ
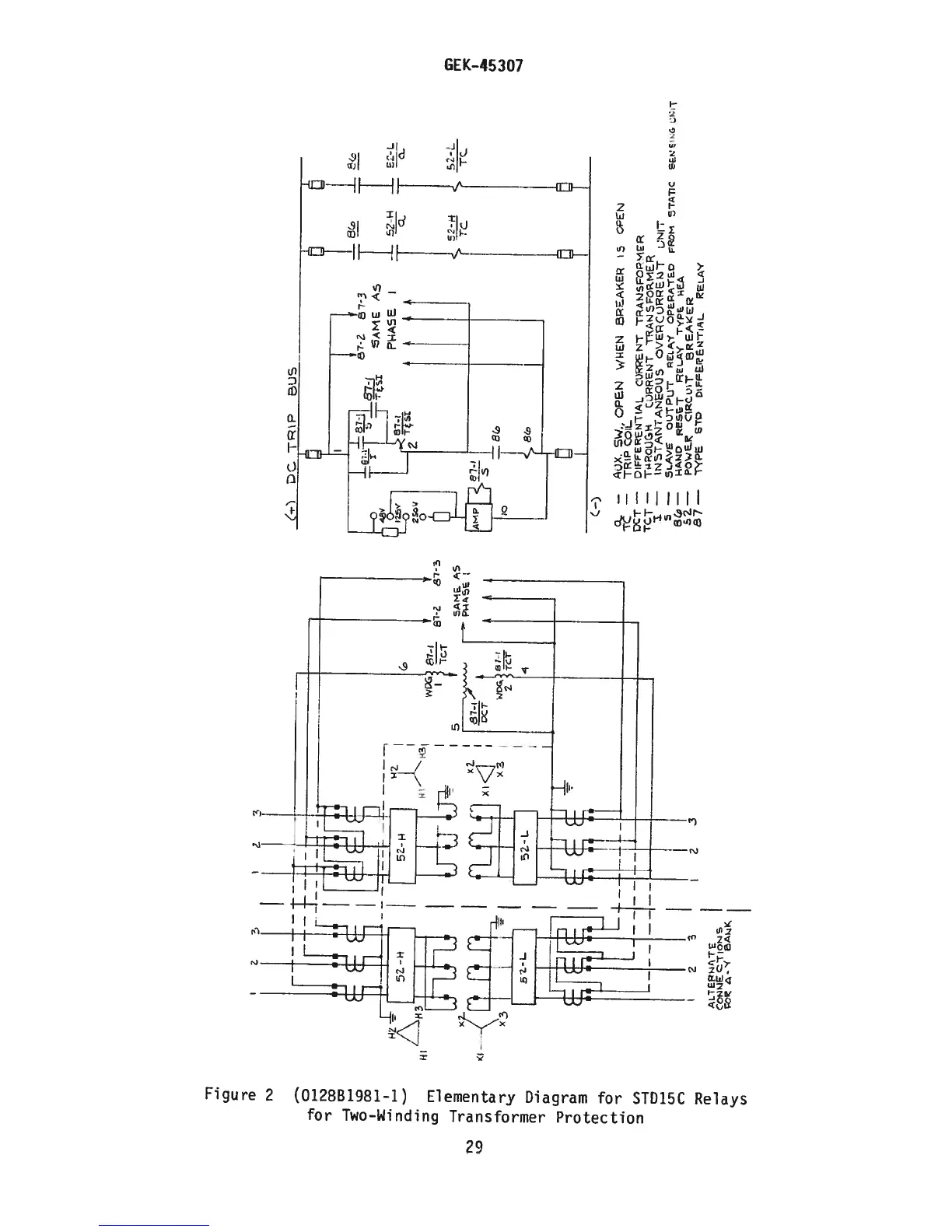
Figure
2
(0128B1981-1)
Elementary
Diagram
for
STD15C
Relays
for
Two-Winding
Transformer
Protection
I—
2
w
Ii,
U
‘1
I
U)
_JI
-j
I)
U
(I)
-
w
_____
1:
.1:
2
bi
0
I
II
I
I
I
Fl-
1
3C
4
r-
29

Related product manuals