EasyManua.ls Logo

GE STD16C - Page 31

GE STD16C
44 pages
Print Icon
To Next Page IconTo Next Page
To Next Page IconTo Next Page
To Previous Page IconTo Previous Page
To Previous Page IconTo Previous Page
Loading...
GE
K—
45307
600/5
110
KV
44
KV
600/5
-w
Y
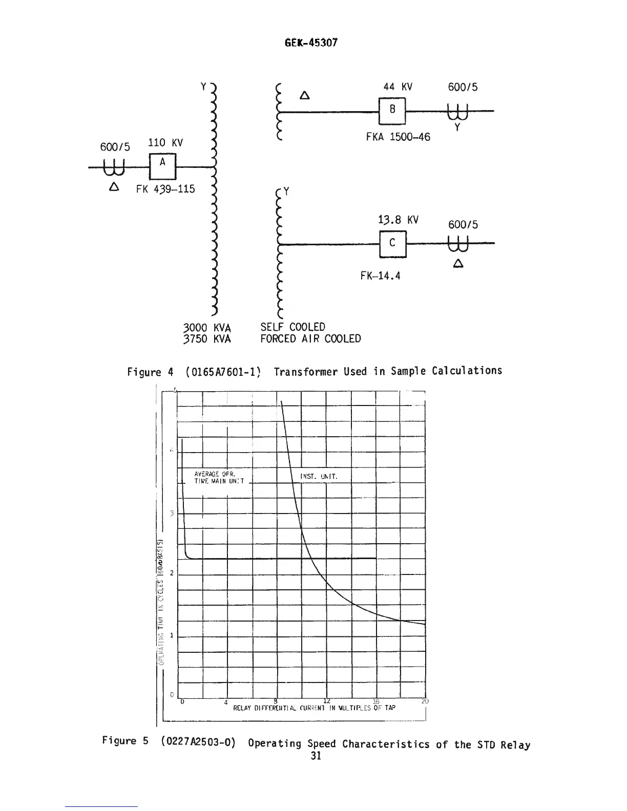
Figure
4
(0165176O1-1)
Figure
5
(0227A2503_o)
Operating
Speed
Characteristics
of
the
STD
Relay
I
FKA
1500—46
Y
w
[Al
A
FK
439—115
3000
KVA
3750
KVA
13.8
KV
600/5
FK—14.4
SELF
COOLED
FORCED
AIR
COOLED
Transformer
Used
in
Sample
Calculations
[ELY
[IFF
UTIA
VIIF
C
T
31

Related product manuals