EasyManua.ls Logo

GEA Grasso RC69 - Page 45

GEA Grasso RC69
68 pages
Print Icon
To Next Page IconTo Next Page
To Next Page IconTo Next Page
To Previous Page IconTo Previous Page
To Previous Page IconTo Previous Page
Loading...
RC9-1
Refrigeration Division
Grasso
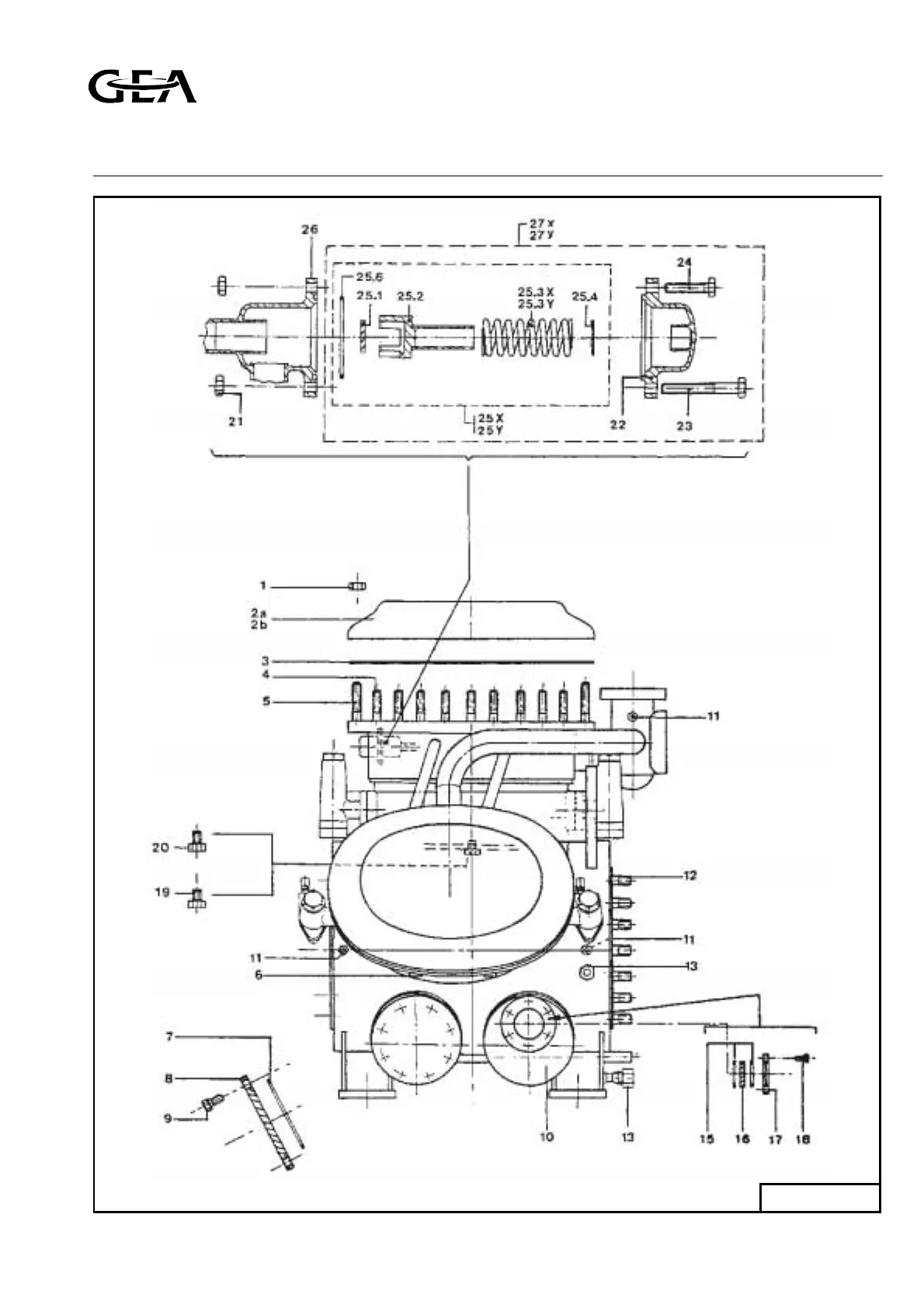
STANDARD ILLUSTRATED PARTS LIST RC9
v003.99.06.en Refrigeration Compressors Series RC9 C3

Table of Contents