EasyManua.ls Logo

Geberit Duofix - Geberit Duofix Frame Installation; Wall Mounting and Initial Connections

Geberit Duofix
34 pages
Print Icon
To Next Page IconTo Next Page
To Next Page IconTo Next Page
To Previous Page IconTo Previous Page
To Previous Page IconTo Previous Page
Loading...
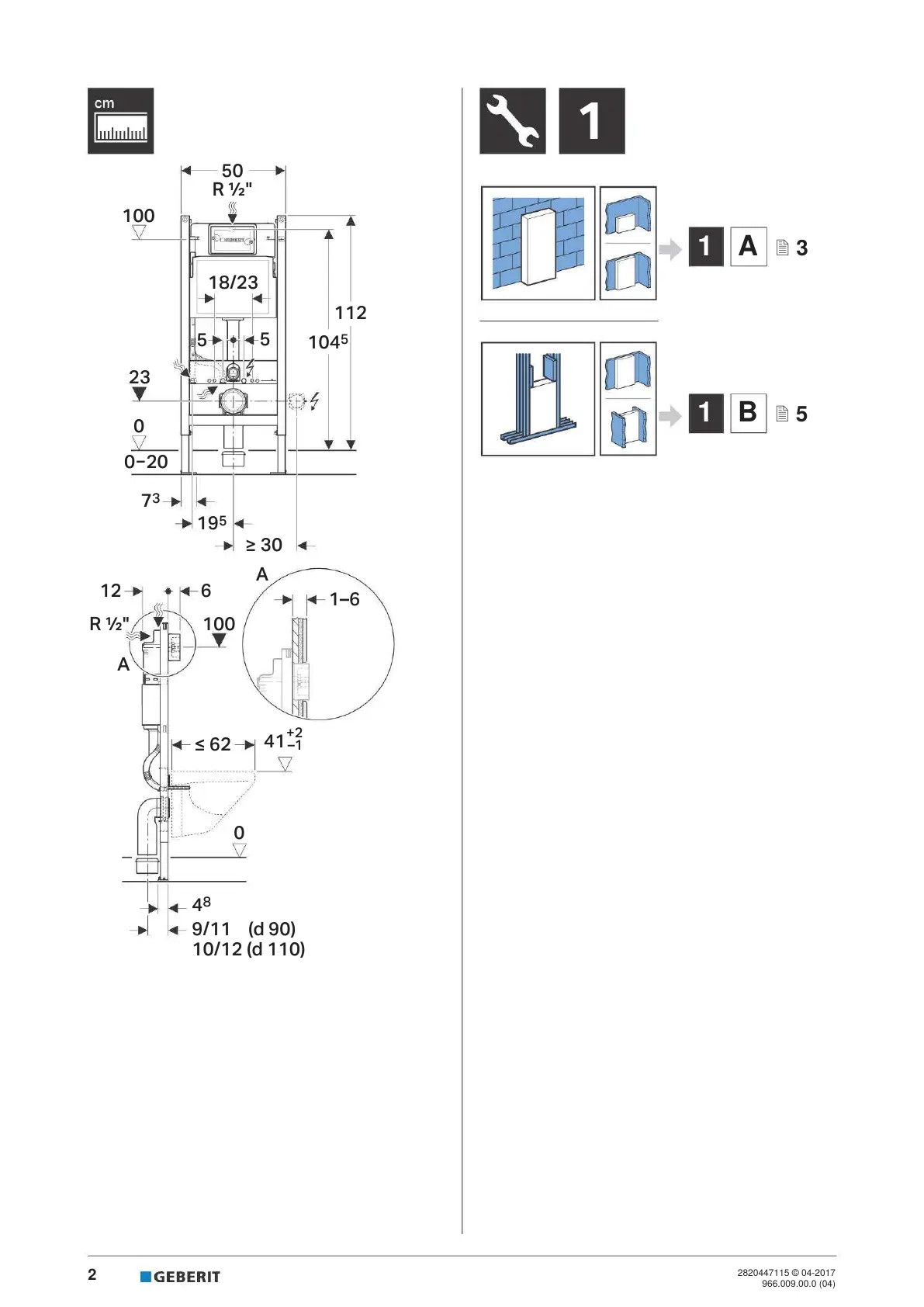
19
5
7
3
30
0−20
112
104
5
50
100
0
23
5
5
18/23
R ½"
9/11 (d 90)
10/12 (d 110)
12
6
0
4
8
62
41
+2
–1
100
A
R ½"
1–6
A
1
1
A 23
1 B 25
2
2820447115 © 04-2017
966.009.00.0 (04)

Related product manuals