EasyManua.ls Logo

Gemini PMX-1400 - Schematics

Gemini PMX-1400
11 pages
Print Icon
To Next Page IconTo Next Page
To Next Page IconTo Next Page
To Previous Page IconTo Previous Page
To Previous Page IconTo Previous Page
Loading...
IC1A
2068LD
IC1B
2068LD
R7
47
R1
1K 1%
R3
1K 1%
R4
30K 1%
R5
47
R9
30K 1%
R2
30K 1%
C1
101
C11
101
C7
101
C5
101
C6
47/16
C3
10/16
C2
22/16
C4
10/16
C8
47/16
X1
C10
10/16
C9
10/16
C12
22/16
R10
1K 1%
R8
1K 1%
R6
30K 1%
J1
-12
+12
+12
-12
2
3
1
4 8
IC2A
2068LD
IC2B
2068LD
R22
100K
R19
47
R12
47
R20
8K2
R23
180
R18
47K
R17
8K2
R13
47K
R11
180
R15
100K
C24
822
C22
101
C26
273
C15
101
C16
273
C20
822
C21
47/16
C13
47/16
C14
47/16
C18
47/16
C23
10/16
C17
10/16
R21
1K
R16
1K
R26
1K8
R25
1K8
C28
101
C29
101
C25
10/16
C30
10/16
C19
10/16
C27
10/16
+12
-12
IC3A
2068LD
IC3B
2068LD
R38
100K
R35
47
R28
47
R36
8K2
R39
180
R34
47K
R33
8K2
R29
47K
R27
180
R31
100K
C41
822
C42
101
C44
273
C33
101
C34
273
C38
822
C39
47/16
C31
47/16
C32
47/16
C35
47/16
C4010/16
C36
10/16
R37
1K
R32
1L
R42
1K8
R41
1K8
C46
101
C47
101
C43
10/16
C48
10/16
C37
10/16
C45
10/16
+12
-12
IC4A
2068LD
IC4B
2068LD
R53
100K
R51
47
R44
47
R52
8K2
R55
180
R50
47K
R49
8K2
R45
47K
R43
180
R47
100K
C60
822
C58
101
C62
273
C51
101
C53
273
C56
822
C57
47/16
C49
47/16
C50
47/16
C54
47/16
C5910/16
C52
10/16
R54
1K
R48
1K
R58
1K8
R57
1K8
C64
101
C65
101
C61
10/16
C66
10/16
C55
10/16
C63
10/16
R24
1K8
R14
1K8
R30
1K8
R40
1K8
R56
1K8
R46
1K8
X2
X3
X4
X5
X6
R60
1K8
R59
1K8
C69
101
C68
101
C70
10/16
C67
10/16
R62
1K8
R61
1K8
C72
101
C73
101
C74
10/16
C71
10/16
R78
180
R81
47K
R79
330
R77
5K1
R84
180
R80
330
R83
5K1
C82
22/16
C81
22/16
R82
47K
Q4 2SC2878
Q5
2SC2878
R70
180
R72
47K
R71
330
R69
5K1
R76
180
R73
330
R75
5K1
C80
22/16
C79
22/16
R74
47K
Q2 2SC2878
Q3
2SC2878
R65
47K
R67
47K
R63
8K2
R68
8K2
C76
10/16
C77
10/16
D3
1N4002
D5
1N4002
D6
1N4002
D4
1N4002
C89
470/25
C90
470/25
C87
103
C88
103
C84
4,7/16
C85
4,7/16
-12
-12
+12
Vin
1
GND
2
+12V
3
IC6
7812
Vin
2
GND
1
-12V
3
IC7
7912
Q1
2SA1317
R66
560K
D2
1N4148
D1
1N4148
C75
220/16
C78
4,7/16
+12
SW1A
SW1B
SW2A
SW2B
SW3A
SW3B
J2A
J2B
J3A
J3B
J4A
J4B
J5A
J5B
J6A
J6B
J6C
R64
1K
1
2
X12
D8
1N4002
D7
1N4002
C86
470/16
X7
X?
D507
1N4002
D508
1N4002
1
2
3
4
5
X11
1
2
3
4
X8
R85
2M2
-12
MIC-2
PH1; L1
PH1/L1
L2
PH-2; L3
L4
PH-2/L3
PH-3/L5
PH-3; L5
L6
L7
L8
OUT REC.
OUT BOOTH
OUT AMP.
+12
1
2
3
X14
X15
11
12
10
SW4D
2
3
1
SW4A
5
6
4
SW4B
8
9
7
SW4C
R85
47K
R101
4K7
R86
47K
R87
47K
D9
LED
+12
VR1A
50KA
VR1B
50KA
R88
47K
VR5
10KA
R110
10K
R134
27K
R135
22
R139
1K3
R136
22
R140
1K3
R109
1K8
R141
1K
R111
10K
IC8A
2068LD
IC8B
2068LD
C92 47
C95
224
C97
223
C96
224
C98
223
C99
221
C100
10/16
C114
47/16
C115
47/16
C101 47/16
-12
+12
R112
10K
R113
10K
R142
47K
R143
47K
R144
47K
R145
47K
R146
47K
R147
47K
R148
47K
R149
47K
-VCC
20
GND
19
+VCC
18
OUT
17
N INP
16
P INP
15
NF7
14
IN7
13
NF6
12
IN6
11
NF1
2
IN1
1
IN2
3
NF2
4
IN3
5
NF3
6
IN4
7
NF4
8
IN5
9
NF5
10
IC12
M5229P
R150
10
R151
10
R155
3K3
R156
3K3
C125
471
C127
821
C128
272
C129
682
C130
123
C131
124
C126
124
C139
563
C138
183
C137
822
C135
393
C116
22/16
C102
10/16
C134
1/16
C133
2.2/16
C132
0.47/16
C103
10/16
-12+12
R157
100K
R137
10
R138
10
IC9A
2068LD
C140 101
C144
22/16
C117
22/16
C118
22/16
-12
+12
R159
20K
C104
47/16
C105
47/16
R160
20K
IC9B
2068LD
C141
101
R158
100K
SW8A
SW8B
SW8C
C145
22/16
C146
22/16
SW9A
SW9B
SW10B
SW10A
R114
10K
R115
10K
C119
22/16
1
9
2
6
3
4
7
8
5
IC13
LB1403N
1
9
2
6
3
4
7
8
5
IC14
LB1403N
1
9
2
6
3
4
7
8
5
IC15
LB1403N
1
9
2
6
3
4
7
8
5
IC16
LB1403N
D11
LED
D12
LED
D13
LED
D14
LED
D15
LED
D16
LED
D17
LED
D18
LED
D19
LED
D20
LED
D21
LED
D22
LED
D23
LED
D24
LED
D25
LED
D26
LED
D27
LED
D28
LED
D29
LED
D30
LED
R116
10K
R161
100K
R165
120K
R167
160K
R117
10K
R169
8K2
R118
10K
R162
100K
R166
120K
R168
160K
R119
10K
R170
8K2
R172
47
R173
47
R174
47
C106
10/16
C107
4.7/16
C108
10/16
C109
10/16
C110
4.7/16
C111
10/16
R152
47
R175
47K
R153
10
R154
10
IC10A
2068LD
C142 47
C147
22/16
C121
22/16
C122
22/16
-12
+12
C148
100/16
C149
100/16
IC10B
2068LD
C143 47
R176
47K
C150
22/16
SW8D
+12
-12
+12
-12
R122
10K
VR7
20KW
VR8
20KW
VR9
20KW
VR10
20KW
VR11
20KW
VR12
20KW
VR14
10KB
VR15
10KB
VR13
20KW
C136
471
SW12A
SW12B
X16
11
12
10
SW5D
2
3
1
SW5A
5
6
4
SW5B
8
9
7
SW5C
R89
47K
R103
4K7
R90
47K
R91
47K
D31
LED
+12
VR2A
50KA
VR2B
50KA
R92
47K
R123
10K
R124
10K
SW13A
SW13B
X17
11
12
10
SW6D
2
3
1
SW6A
5
6
4
SW6B
8
9
7
SW6C
R93
47K
R104
4K7
R94
47K
R95
47K
D32
LED
+12
VR3A
50KA
VR3B
50KA
R96
47K
R125
10K
R126
10K
SW14A
SW14B
X18
11
12
10
SW7D
2
3
1
SW7A
5
6
4
SW7B
8
9
7
SW7C
R97
47K
R105
4K7
R98
47K
R99
47K
D33
LED
+12
VR4A
50KA
VR4B
50KA
R100
47K
R127
10K
R128
10K
SW15A
SW15B
R106
4K7
D34
LED
+12
R129
10K
IC11A
4558
IC11B
4558
R177
27K
R163
47K
R164
47K
R178
27K
C151
22/16
C152
22/16
C112
10/16
C113
10/16
C93
47
C94
47
C123
22/16
R188
47
C124
22/16
+12
1L
1R
2L
2R
3L
3R
4L
4R
4R
3R
2R
1R
4L
3L
2L
1L
4R
3R
2R
1R
1L
2L
3L
4L
+V IND GND
+V INDGND
VR6
10KA
R171
47
+12
1
2
3
X19
1
2
3
X24
X23
+12 -12
X20
X22
QUE
QUE
QUE
QUE
CH-1
CH-2
CH-3
CH-4
MIC-1
MIC-2
X-FAD. ASSIGN
X-FAD. ASSIGN
A
B
T.O
ON
OFF
T.O.
1
2
X21
T1
TR05
1
2
X28
SW18
F
SW19
SW-SPST
C141
103
J7
PLUG
J8
PLUG
J9
LAMP
AC 220/110 V
SW
X27
R87B 100KB
R87A
100KB
CROSS FADER
X30
PLUG06
059-166
Page 10
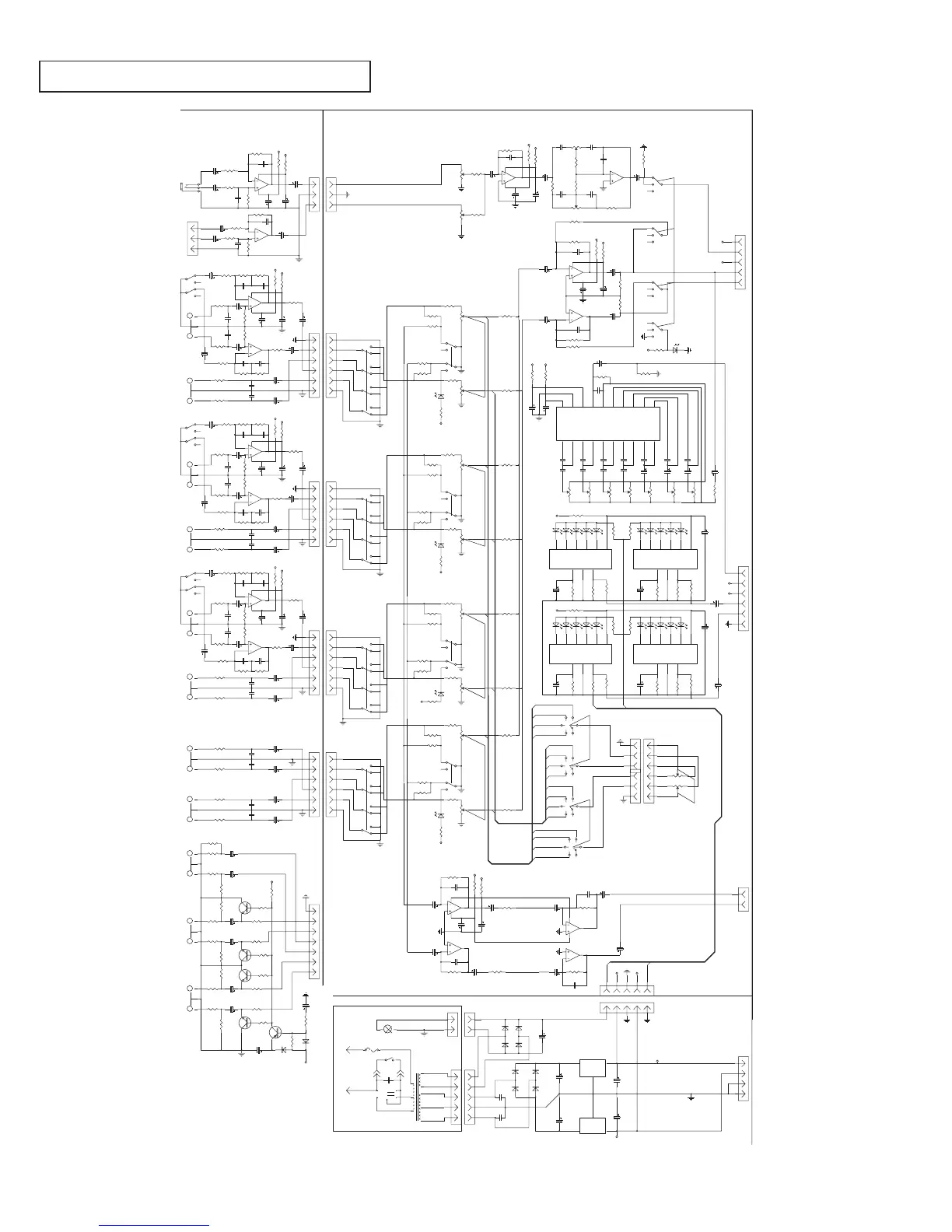
Schematic A

Related product manuals