EasyManua.ls Logo

Generac Power Systems 005336-0, 005337-0 - Schematic Diagrams

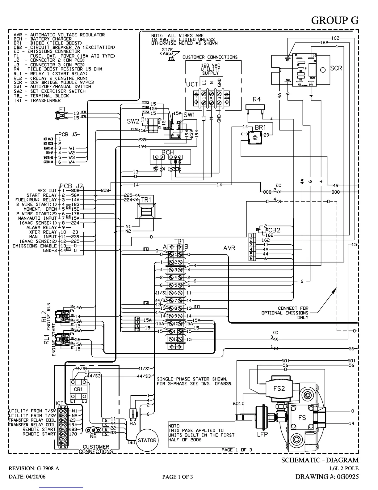
Generac Power Systems 005336-0, 005337-0
64 pages
Print Icon
To Next Page IconTo Next Page
To Next Page IconTo Next Page
To Previous Page IconTo Previous Page
To Previous Page IconTo Previous Page
Loading...

Table of Contents

Related product manuals