EasyManua.ls Logo

Generac Power Systems 00940-2 - Section 7 - Warranty

Generac Power Systems 00940-2
56 pages
Print Icon
To Next Page IconTo Next Page
To Next Page IconTo Next Page
To Previous Page IconTo Previous Page
To Previous Page IconTo Previous Page
Loading...
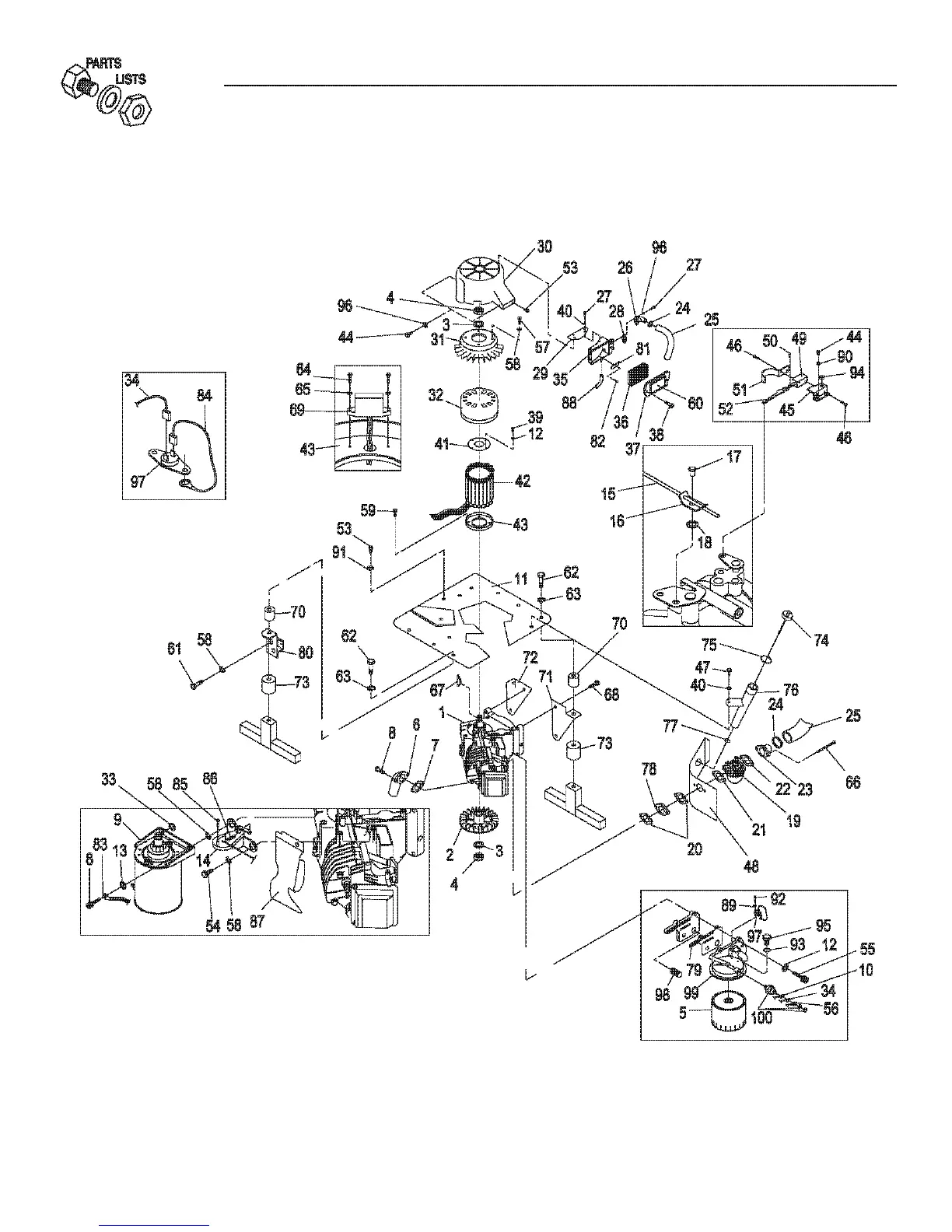
Section 6 Exploded Views and Parts Lists
IMPACT-36 plus II Recreational Vehicle Generator
Generator Drawing No. 0D4945-A
50 Generac
®
Power Systems, Inc.
96
4
64
34
65-
84
69
59,
91
/-1
r
61
58
96
51
52
17
15
70
48
44
50
49
~0
74
94
55
10

Table of Contents

Related product manuals