EasyManua.ls Logo

Genvex Optima 300 - 6 Flow diagram VP; 6.1 VP Flow Diagram; 7 Flow diagram VPC; 7.1 VPC Flow Diagram

Default Icon
18 pages
Print Icon
To Next Page IconTo Next Page
To Next Page IconTo Next Page
To Previous Page IconTo Previous Page
To Previous Page IconTo Previous Page
Loading...
830209G/160228 - Tekniske ændringer forbeholdes - Technische Änderungen vorbehalten - Subject to Technical Modications - 49
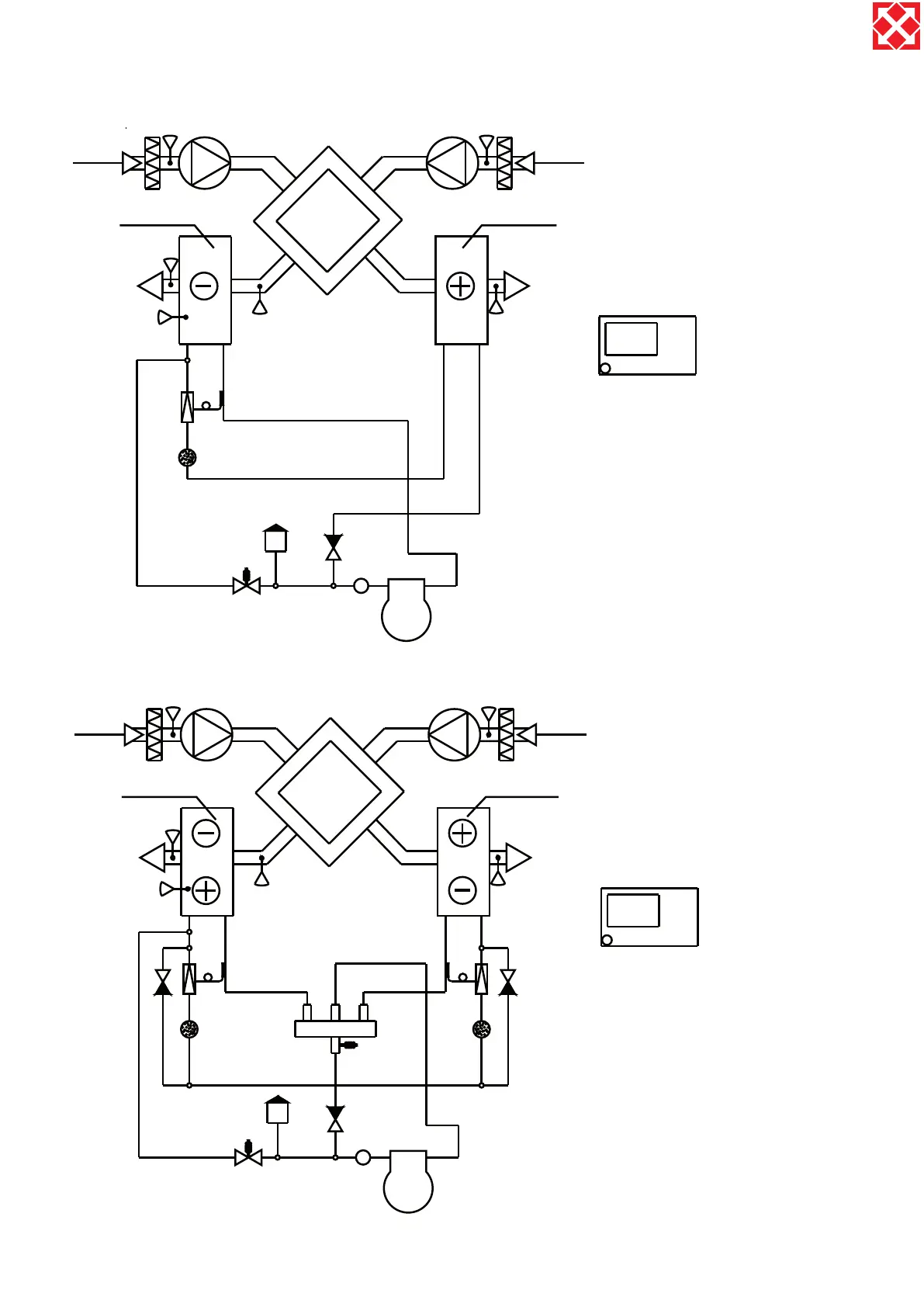
Optima 300
Evaporator (cooling coil
HP
Exhaust Air
Condenser (heating coil)
Extract Air
Heat exchanger
Supply Air
T4
T5
T3
T6
T1
MA4
Compressor
T7
Control panel
High pressure
switch
T2
Fresh Air
Evaporator (cooling coil)
High pressure
switch
Condenser (heating coil)
Heat exchanger
MA4
Compressor
Control panel
MA7
HP
Exhaust Air
Supply Air
T4
T5
T3
T6
T1
T7
T2
Extract Air
Fresh Air
6 Flow diagram VP - GE 315 / 420 / 525 / 630 / 840 VP
7 Flow diagram VPC - GE 315 / 420 / 525 / 630 / 840 VPC
ENGLISH

Related product manuals