EasyManua.ls Logo

German pool HTB-916 - Wiring Diagram and Connections; Installation Warnings

German pool HTB-916
28 pages
Print Icon
To Next Page IconTo Next Page
To Next Page IconTo Next Page
To Previous Page IconTo Previous Page
To Previous Page IconTo Previous Page
Loading...
P.22
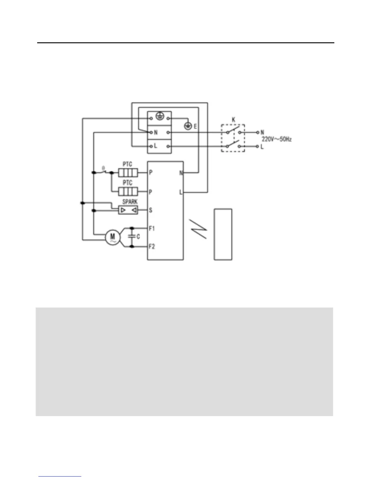
Wiring
If the rewiring is needed, please make sure you connect the wires exactly the same as the wiring
diagram below.
Installation Instructions
K: Breaker P: PTC θ: Thermal Protector S: Anion F1: Fan F2Vent
Yellow Green
Blue
Brown
Black
Yellow
White
Remote Control
- This unit must be properly grounded.
- A new power cord should be used when installing this unit, the new power cord must stand a
minimum load of 10A.
- The power cord must contain a circuit breaker with a minimum of 3mm
off-contact distance.
- A
ll electrical connections on the terminal block must be effective connections,
poor connections
may produce electrical sparks and cause a fire during long operati
on. The
installi
ng person(s)
should check all electrical connections, fix or re-fix firmly all the screws on the terminal block.
- This unit should not be installed near curtains or flammable materials to avoid any risk of fire.
Warning
Black
Orange
Double-pole
Switch specification
should not be lower
than 250V~15A