EasyManua.ls Logo

Gibson GDFA10DGSWD - Wiring Diagram

Gibson GDFA10DGSWD
37 pages
Print Icon
To Next Page IconTo Next Page
To Next Page IconTo Next Page
To Previous Page IconTo Previous Page
To Previous Page IconTo Previous Page
Loading...
35
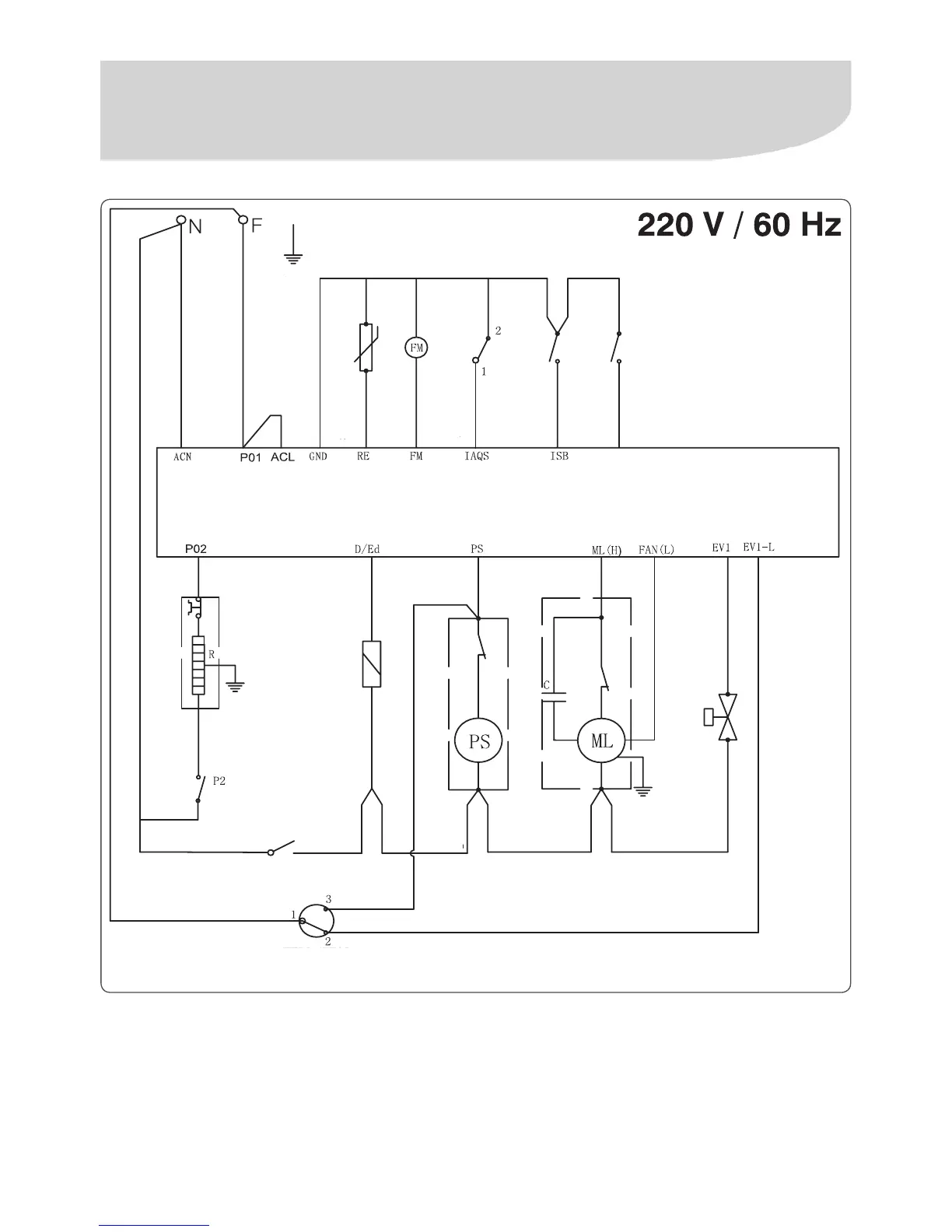
Wiring Diagrams
blue
green/yellow
DOOR
TEMPERATURE SENSOR
DISPENSER
RESISTENCE
FUSE
DRAIN PUMP
DOOR SWITCH
WATER LEVEL SWITCH
WASHING ENGINE
Inlet Valve
FLUXOMETRE
DOOR SWITCH
OVERFLOW SWITCH
DETECTOR OF
RINSE AID
brown
blue
blue
blue
yellow
blue
blue
blue
brown
yellow
red
black
white
pink
pinkpink
grey
grey
grey
blue
black
red
white
white
white
blue
blue
black
pink
grey
red
red
red

Related product manuals