EasyManua.ls Logo

Gilson TS-1 - Clamp Rod Assembly

Default Icon
28 pages
Print Icon
To Next Page IconTo Next Page
To Next Page IconTo Next Page
To Previous Page IconTo Previous Page
To Previous Page IconTo Previous Page
Loading...
20
Parts
Because of model and component variations in Gilson
Testing Screens, always specify the unit serial number
when ordering parts�
NOTE: Parts sold individually unless included with an
assembly or kit�
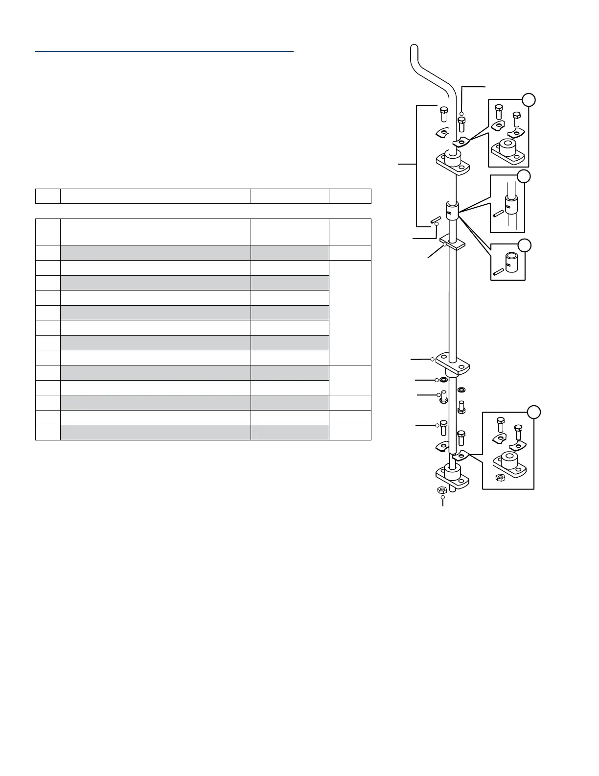
TS-2 Clamp Rod Assembly
Description Part Number # Req.
TS-2 Clamp Rod Assembly (Complete) RPTS-2CRA
1
2
CLAMP ROD PARTS
1
Clamp Rod with
Upper Guide Bearing, Collar, and Pin
RPTS-2CRA1 1
2 Upper Guide Bearing Screw, 3/8x1in RPTS-2CRA5 2
3 Upper Guide Bearing Assembly RPTS-2CRA4
1
4 Clamp Rod with Collar, and Pin RPTS-2CRA2
5 Collar and Pin Only RPTS-2CRA3
6 Pin Only RPTS-2CRA3-1
7 Hard Steel Wearing Plate RPTS-2CRA11
8 Lower Threaded Block RPTS-2CRA6
9 Lower Guide Bearing Lock Washer RPTS-2CRA10
10 Lower Threaded Block Screw, 3/8x5/8in RPTS-2CRA7
2
11 Lower Guide Bearing Screw, 3/8x1 1/4in RPTS-2CRA9
12 Lower Guide Bearing Assembly RPTS-2CRA8 1
13 Lower Guide Bearing Stop Nut, 3/8in RPTS-1KEY8-1 2
Lower Guide Dust Guard, Std� RPTS-2CRA12 1
1
Clamp Rod Assembly (Complete) includes all clamp rod parts
(2 assemblies required per Testing Screen)
6
1
7
2
9
8
11
13
10
4
5
12
3

Table of Contents

Related product manuals