EasyManua.ls Logo

GOK LAG 2000 A - Description du Fonctionnement; Structure

GOK LAG 2000 A
Print Icon
To Next Page IconTo Next Page
To Next Page IconTo Next Page
To Previous Page IconTo Previous Page
To Previous Page IconTo Previous Page
Loading...
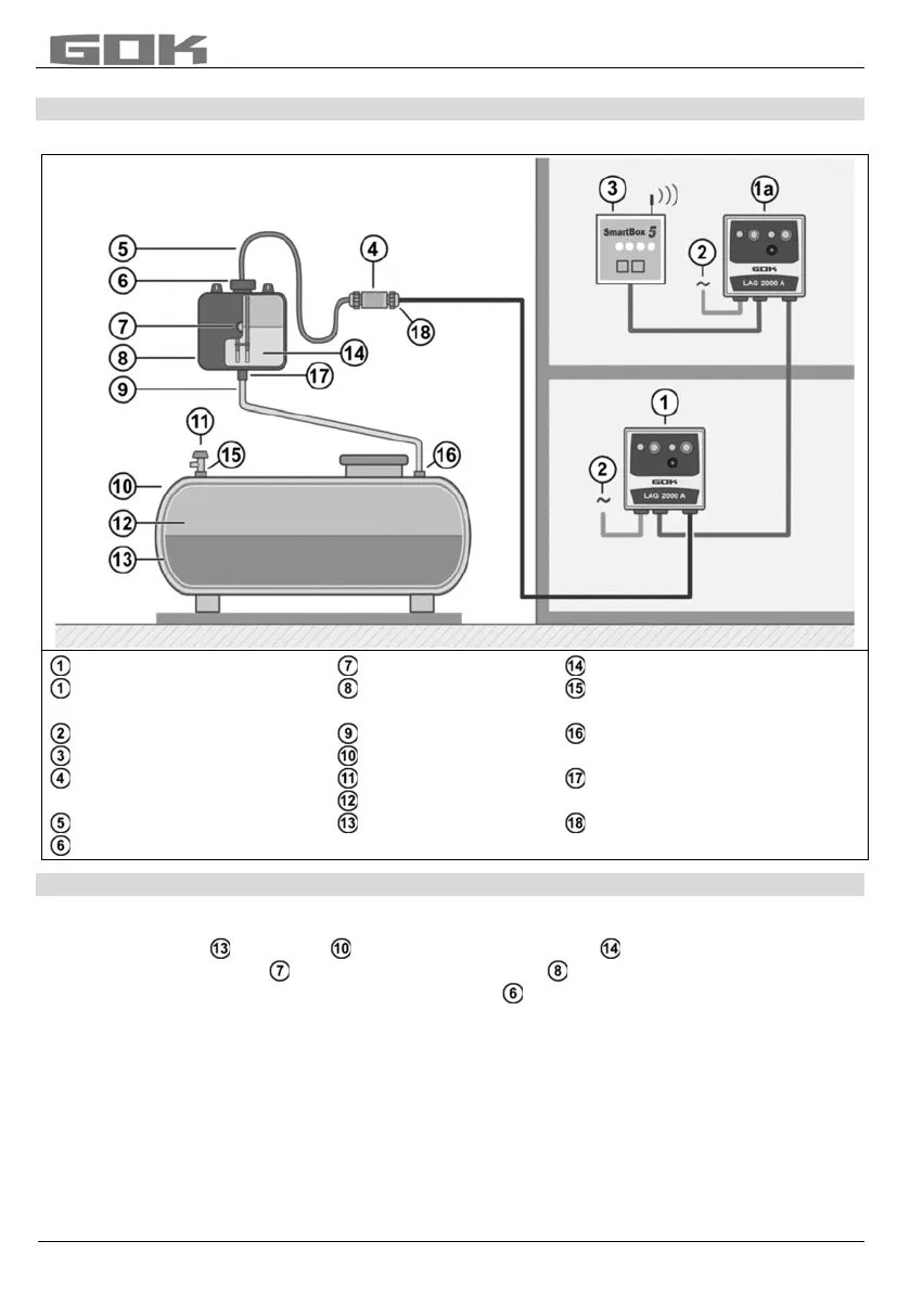
Appareil indicateur de fuite Type LAG 2000 A
7 / 28
STRUCTURE
Fig. 1: Construction du systeme indicateur de fuite
Appareil indicateur
a
Option : 2
ème
appareil
indicateur
Raccordement secteur
Alarme supplémentaire
Ensemble de
raccordement de câble
Ligne du transmetteur
Transmetteur
Verre de niveau
Réservoir de
contrôle LAF
Conduit de liaison
Cuve de stockage
Vanne de contrôle
Fluide stoc
Espace surveillé
Fluide indicateur de fuite
Raccord Vanne de contrôle
cuve
Raccord Conduit de liaison
cuve
Raccord C. de liaison
réservoir de contrôle LAF
Raccord Extension ligne du
transmetteur
DESCRIPTION DU FONCTIONNEMENT
Principe de fonctionnement de l'appareil indicateur de fuites LAG 2000 A
L'espace surveillé de la
cuve contient un fluide indicateur de fuites dont le niveau
atteint le verre de niveau du réservoir de contrôle LAF (cf. Fig. 2). Le circuit électrique
est fermé entre les deux électrodes du transmetteur si les extrémités de ce dernier
plongent dans le fluide indicateur.
En cas de fuite de la cuve, le fluide indicateur s'échappe. Les extrémités du transmetteur sont
sorties du fluide et le circuit électrique est interrompu, un signal d'alarme acoustique et
optique est émis par l'appareil indicateur.
Type LAG 2000 A à sortie relais :
Le rel
ais est prévu pour un transmetteur d'alarme supplémentaire.

Table of Contents