EasyManua.ls Logo

golmar EL610D

golmar EL610D
60 pages
To Next Page IconTo Next Page
To Next Page IconTo Next Page
To Previous Page IconTo Previous Page
To Previous Page IconTo Previous Page
Loading...
BUS IN
39
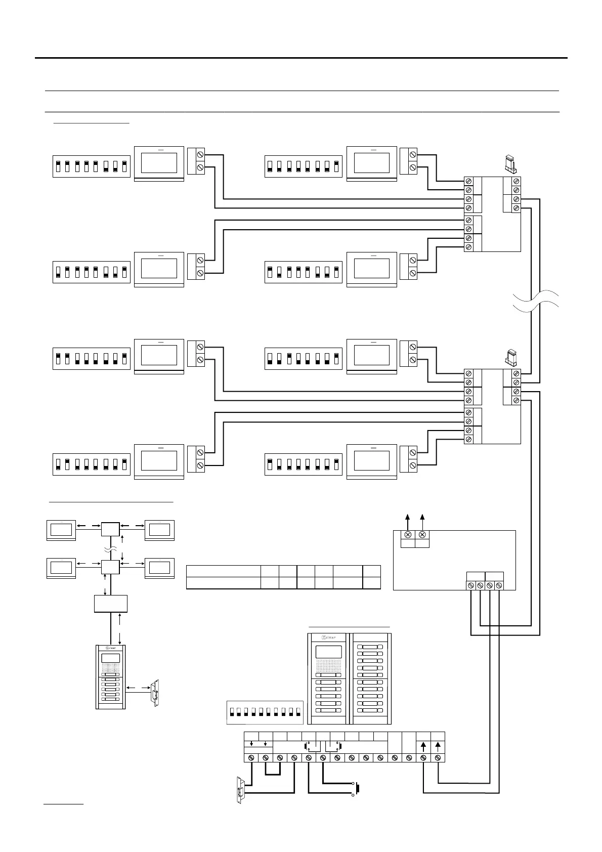
Video door with 3 7 G tors and
d.c lock release
entry system 2 ART /G2+ or ART 7LITE/G2+ monitors, 8 D4L- 2+ distribu Golmar
.
BUS
BUS
BUS BUS
D4
D3
D2
D1
D4L- 2+G
APARTMENT 31
AP
Distances and cross-sections:
D -G24L +
A
D
B
D
(1)
(1)
E
ART 7/G2+
FA-G2+
ART 7/G2+
ART 7/G2+
Master
**
( )2 ( )
BUS
BUS
BUS BUS
D4
D3
D2
D1
D4L- 2+G
ON
1 2 3 4 5 6 7
8
APARTMENT 32
**
( )2 ( )
ON
1 2 3 4 5 6 7
8
APARTMENT 30
**
( )2 ( )
ON
1 2 3 4 5 6 7
8
APARTMENT 29
**
( )2 ( )
ON
1 2 3 4 5 6 7
8
APARTMENT 3
**
( )2 ( )
ON
1 2 3 4 5 6 7
8
APARTMENT 4
**
( )2 ( )
ON
1 2 3 4 5 6 7
8
APARTMENT 2
**
( )2 ( )
ON
1 2 3 4 5 6 7
8
APARTMENT 1
**
( )2 ( )
ON
1 2 3 4 5 6 7
8
D D
ART 7/G2+ ART 7/G2+
NA2
+
AP-
C1
NA1
AP+
C2
AP+
GND
BUSBUS
Relé 2Relé 1
_
12Vdc
NC2
CCTV
End of
inel
ON
OFF
End of
inel
*
( )
BUS IN
ART 7/G2+
Master
BUS IN
ART 7/G2+
Master
BUS IN
ART 7/G2+
Master
BUS IN
ART 7/G2+
Master
BUS IN
ART 7/G2+
Master
BUS IN
ART 7/G2+
Master
BUS IN
ART 7/G2+
Master
1 2 3 4 5 6 7 8 910
ON
C
Access door panel
100~240Vac
Mains
BUS (M) BUS(PL)
FA-G2+
LN
A B C
80m 80m 80m
Cable
D
30m
B+C+D
190m
E
15m
RAP-GTWIN/HF 2x1mm
2
WIRING DIAGRAMS
Configur the end of line in
the last monitor.
e
Dip 8 to ON.
Lock release
a dm x. 12 V c/270mA.
Set to ON the end of line in
the last distributor.
**
( )
*
( )
NEXA MODULAR G2+ AUDIO AND VIDEO DOOR ENTRY SYSTEM - BUILDING
Important:
page )52 .
For a.c. lock release or a second lock release, see(
For more information of the ART G2+ monitor, see the7 or ART 7 LITE/G2+ quick guide that is attached with its corresponding product.
(1)
( )2

Table of Contents

Other manuals for golmar EL610D

Related product manuals