EasyManua.ls Logo

golmar EL610D

golmar EL610D
60 pages
To Next Page IconTo Next Page
To Next Page IconTo Next Page
To Previous Page IconTo Previous Page
To Previous Page IconTo Previous Page
Loading...
41
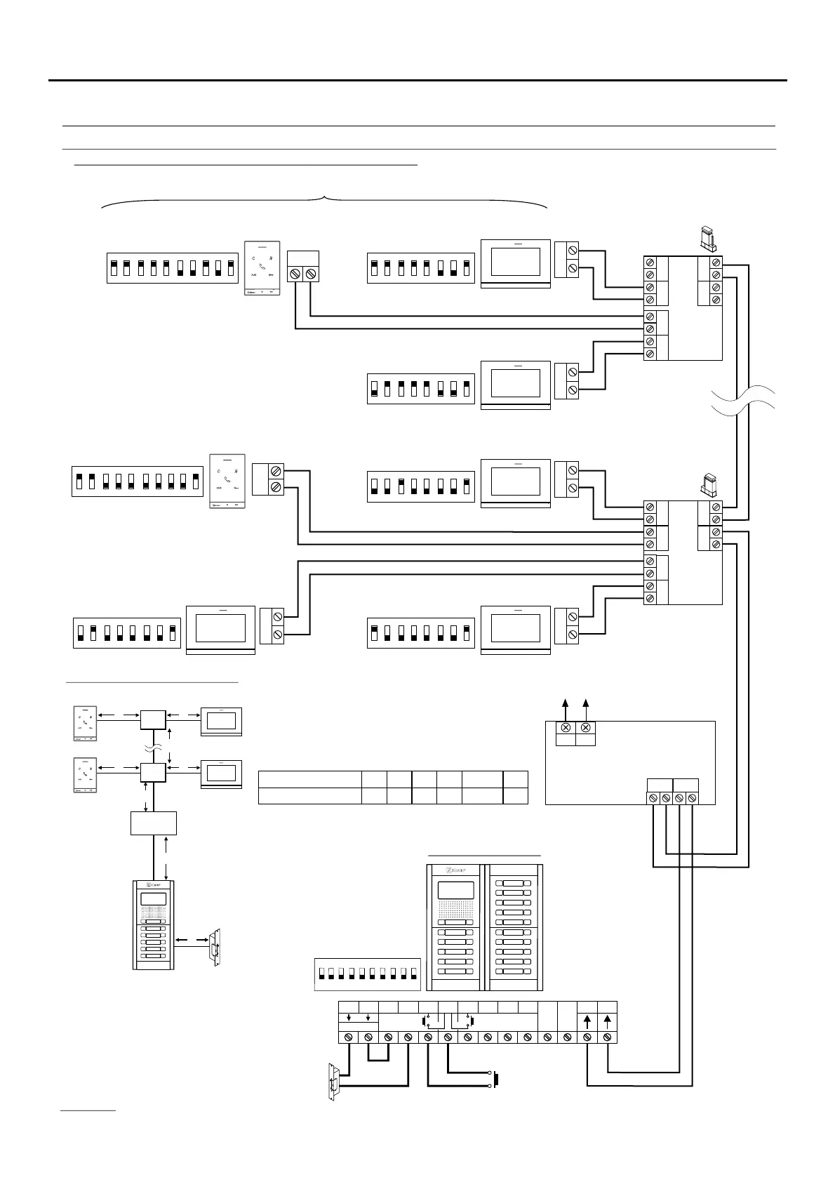
WIRING DIAGRAMS
NEXA MODULAR G2+ AUDIO AND VIDEO DOOR ENTRY SYSTEM - BUILDING
BUS
BUS
BUS BUS
D4
D3
D2
D1
D4L- 2+G
AP
Distances and cross-sections:
D -G24L +
A
D
B
D
(1)
(1)
E
ART 1/G2+
FA-G2+
ART 7/G2+
BUS
BUS
BUS BUS
D4
D3
D2
D1
D4L- 2+G
APARTMENT 30
**
( )2 ( )
ON
1 2 3 4 5 6 7
8
APARTMENT 4
**
( )2 ( )
ON
1 2 3 4 5 6 7
8
APARTMENT 2
**
( )2 ( )
ON
1 2 3 4 5 6 7
8
APARTMENT 1
**
( )2 ( )
ON
1 2 3 4 5 6 7
8
D
ART 7/G2+
NA2
+
AP-
C1
NA1
AP+
C2
AP+
GND
BUSBUS
Relé 2Relé 1
_
12Vdc
NC2
CCTV
End of
l nei
ON
OFF
End of
l nei
*
( )
BUS IN
ART 7/G2+
Master
BUS IN
ART 7/G2+
Master
BUS IN
ART 7/G2+
Master
BUS IN
ART 7/G2+
Master
BUS IN
ART 7/G2+
Master
1 2 3 4 5 6 7 8 910
ON
C
Access door panel
A B C
80m 80m 80m
Cable
D
30m
B+C+D
190m
E
15m
RAP-GTWIN/HF 2x1mm
2
Mains
100~240Vac
BUS (M) BUS(PL)
FA-G2+
LN
AUX
ART 1/G2+
Master
BUS
AUX
APARTMENT 3
**
( )2 ( )
ON
1 2 3 4 5 6 7
8 9 10
ART 1/G2+
AUX
D
Additional ART 1/G2+ terminal in the same apartment( )
APARTMENT31
**
( )2 ( )
ON
1 2 3 4 5 6 7
8
ART 1/G2+
Slave 1
BUS
AUX
APARTMENT 31
**
( )2 ( )
ON
1 2 3 4 5 6 7
8 9 10
Mixed installation: Up to 32 elements (ART 7/G2+ or ART 7 LITE/G2+ monitors / ART 1/G2+ audio terminals),
8 D4L-G2+ distributors and Golmar .d.c lock release
Configur the end of line in
the last monitor
e
Dip 8 to ON
or last terminal Dip 10 to ON.
Set to ON the end of line in
the last distributor.
**
( )
*
( )
Lock release
a dm x. 12 V c/270mA.
Important:
page )52 .
For a.c. lock release or a second lock release, see(
For more information of the ART 7 G2+, ART 7 LITE/G2+ monitor & ART1/G2+, see the quick guide that is attached with its corresponding product.
(1)
( )2

Table of Contents

Other manuals for golmar EL610D

Related product manuals