EasyManua.ls Logo

golmar EL610D

golmar EL610D
60 pages
To Next Page IconTo Next Page
To Next Page IconTo Next Page
To Previous Page IconTo Previous Page
To Previous Page IconTo Previous Page
Loading...
43
BUS
BUS
BUS BUS
D2
D1
BUS
BUS
BUS BUS
D2
D1
D2L- +G2
BUS
BUS
BUS BUS
D2
D1
D2L- +G2
End of
Line
ON
End of
Line
OFF
End of
Line
*
( )
OFF
D2L- +G2
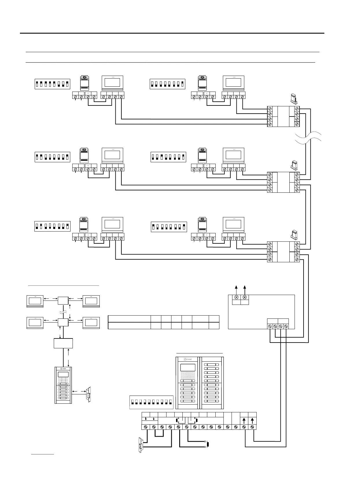
Video door with 3 7W 16 2 G tors and d.c lock releaseentry system 2 ART /G2+ monitors, D L- 2+ distribu Golmar .
APARTMENT 31
**
( )2 ( )
ON
1 2 3 4 5 6 7
8
APARTMENT 32
**
( )2 ( )
ON
1 2 3 4 5 6 7
8
ART 7W/G2+
Master
BUS BUS24V GND
+
N L
FA-ART 7W
ART 7W/G2+
Master
BUS BUS24V GND
100~240Va
Mains
c
+
N L
FA-ART 7W
ART 7W/G2+
Master
BUS BUS24V GND
+
N L
FA-ART 7W
ART 7W/G2+
Master
BUS BUS24V GND
+
N L
FA-ART 7W
APARTMENT 2
**
( )2 ( )
ON
1 2 3 4 5 6 7
8
APARTMENT 1
**
( )2 ( )
ON
1 2 3 4 5 6 7
8
ART 7W/G2+
Master
BUS BUS24V GND
+
N L
FA-ART 7W
ART 7W/G2+
Master
BUS BUS24V GND
+
N L
FA-ART 7W
100~240Va
Mains
c
100~240Va
Mains
c
100~240Va
Mains
c
100~240Va
Mains
c
100~240Va
Mains
c
Lock release
a dm x. 12 V c/270mA.
AP
(1)
(1)
NA2
+
AP-
C1
NA1
AP+
C2
AP+
GND
BUSBUS
Relé 2
Relé 1
_
12Vdc
NC2
CCTV
Configur the end of line in
the last monitor.
e
Dip 8 to ON.
Set to ON the end of line in
the last distributor.
Distances and cross-sections:
D -G22L +
A
D
B
D
E
ART 7W/G2+
FA-G2+
ART 7W/G2+
**
( )
*
( )
D D
ART 7W/G2+ ART 7W/G2+
100~240Vac
Mains
BUS (M) BUS(PL)
FA-G2+
LN
APARTMENT 3
**
( )2 ( )
ON
1 2 3 4 5 6 7
8
APARTMENT 4
**
( )2 ( )
ON
1 2 3 4 5 6 7
8
1 2 3 4 5 6 7 8 910
ON
C
Access door panel
(3)(3)
(3)(3)
(3)(3)
A B C
80m 80m 80m
Cable
D
30m
B+C+D
190m
E
15m
RAP-GTWIN/HF 2x1mm
2
WIRING DIAGRAMS
Important:
page )52 .
For a.c. lock release or a second lock release, see(
For more information of the ART 7W G2+ monitor, see the quick guide that is attached with its corresponding product.
(1)
( )2
ART 7W/G2+ monitor with WiFi activated (only the master monitor of each apartment) FA-ART 7W .power supply unit required
(3)
NEXA MODULAR G2+ AUDIO AND VIDEO DOOR ENTRY SYSTEM - BUILDING

Table of Contents

Other manuals for golmar EL610D

Related product manuals