EasyManua.ls Logo

golmar EL620/2Plus - With D.C Lock Release

golmar EL620/2Plus
28 pages
Print Icon
To Next Page IconTo Next Page
To Next Page IconTo Next Page
To Previous Page IconTo Previous Page
To Previous Page IconTo Previous Page
Loading...
74
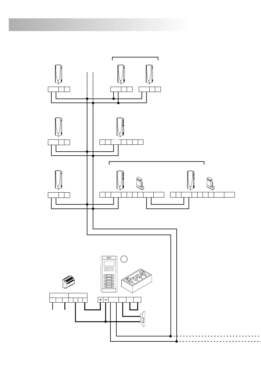
udio door entry system with d.c. lock release.
A
The installation diagram shows the wiring of an audio door entry system with one or several door
panels to enter into the building.
If the system has one door panel only, do not take into account the connection towards others.
If the system has more than one door panel, wire the second panel as shown on the diagram.
In case of more than two door panels, wire them as the second panel.
REMEMBER:
The maximum number of door panel in parallel without using converters is three.
.
.
.
Maximum distance between door panels: 50m.
Maximum distance between the remote door panel and furthest telephone: 100m.
.
.
Maximum length of all the bus wiring in the installation: 600m.
Sections chart
1,00mm² 1,50mm²
1,50mm²
Terminal
SECTIONS CHART
100m. 50m. 50m.
Panel - Telephone
Panel - Panel
F.A. - Panel - CV
+, -, CV1, CV2
For higher distances, consult our Technical Assistance Service.
BUS
INSTALLATION DIAGRAMS
73
Next floor
( )
*
IMPORTANT: Do not insert the resistor with a 2Plus system.
BUS
HZ HZ
T-7720
BUS
HZ HZ
T-7720
BUS
HZ HZ
T-7720
( )
*
BUS
HZS+ HZS-
T-7722VD
PA PB
BUS
HZS+ HZS-
T-7822VD
PA PB
BUS F.Linea BUS
HZS+ HZS-
T-7822VD
PA PB
BUS F.Linea
Additional telephone
BUS
HZ HZ
T-7720
BUS
HZ HZ
T-7720
Additional telephone
JP3 JP3
BUS
CV1
+12
CV2
SEC
PRI
+
-
230110 0
Main
FA-PLUS/C
ver. 938072
-
+
2Plus Nexa Door Panel
M
BUS
CV1
+12
CV2
SEC
PRI
+
-
230110 0
Main
FA-PLUS/C
ver. 938072
-
+
2Plus Nexa Door Panel
S
= Master.
= Slave.
M
S

Related product manuals