EasyManua.ls Logo

Goodman ARPF - ADPF, ARPF, ARUF, ATUF Wiring Diagrams; High Voltage Warning

Goodman ARPF
42 pages
Print Icon
To Next Page IconTo Next Page
To Next Page IconTo Next Page
To Previous Page IconTo Previous Page
To Previous Page IconTo Previous Page
Loading...
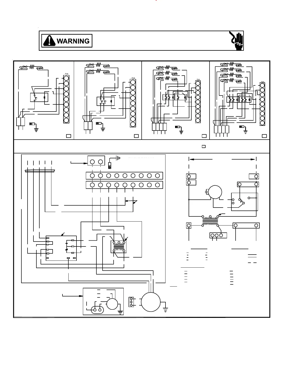
WIRING DIAGRAMS
32
HIGH VOLTAGE!
DISCONNECT ALL POWER BEFORE SERVICING OR INSTALLING THIS
UNIT. MULTIPLE POWER SOURCES MAY BE PRESENT. FAILURE TO
DO SO MAY CAUSE PROPERTY DAMAGE, PERSONAL INJURY OR DEATH.
Wiring is subject to change. Always refer to the wiring diagram on the unit for the most up-to-date wiring.
BK
BL
BK
L1 L2
BK
BK
HTR1
TLHTR2
RD
9
8
7
R
WH
BL
PU
TL
BK
5
6
3
4
BK
RD
1
2
WH
BK
L2L1
BK
RD
RD
RD
BK
R
HTR1 TL
L1
BK
6
8
9
7
2
RD
PU
4
5
3
BK
RD
1
BK
L2 L1 L2
RD
YL
M1
M2
BK
RD
YL
RD
R1
M4
RD
BK
M3
HTR3
TL
HTR2
HTR1
TL
TL
PU
M2
R2
YL
M1
BL
WH
BR
BL
RD
BK
RD
BK
TL
HTR1
BK
HTR4
HTR3
HTR2
BK
RD
9
7
8
L2L1 L1 L2
2
5
6
3
4
1
RD
M1
YL
BK
M2
BL
WH
6
BL
RD
BK
YL
8
9
7
M6
M5
M3
R1
M4
RD
PU
M7
R2
M8
BL
TL
TL
TL
YL
BL
RD
BK
RD
BL
BR
4
5
3
2
BK
1
ONE (1) ELEMENT ROWS TWO (2) ELEMENT ROWS THREE (3) ELEMENT ROWS FOUR (4) ELEMENT ROWS
FL
M1
M2
FL
FL
M1
M2
M3
M4
FL
FL
FL
FL
FL
FL
FL
USE COPPER OR ALUMINUM WIRE
SPEEDUP
COPPER OR ALUMINUM
POWER SUPPLY
(SEE RATING PLATE)
USE MIN. 75°C FIELD WIRE
EQUIPMENT GROUND
BL
BL
NOTE
3
SEE
RD
M1
BR
BR
RC
EM
RD
BL
RD
BK
PU
WH
EBTDR
SR
BL
G
RD
XFMR-R
XFMR-C
C
R
RD
GR
2
NOTE
SEE
BL
RD GR
WH
BR
5
NO
COM
NC
K1
K1
PU
PU
BK
RD
C
BK
BR
PLF
BK
1
RD
PU
2
3
240
24V
4
1 2
3
TR
RD
SEE
NOTE
BL
BR
4 5
WH
67
4
89
PLM
GRD
1
BK
2
3
RD
L2
L1
4 5 678 9
0140M00037
4) Brown and white wires are used with Heat Kits only.
PLM
PLF
TR
FACTORY WIRING
FIELD WIRING
1) Red wires to be on transformer terminal "3" for 240 volts and on terminal "2" for 208 volts.
2) See composite wiring diagrams in installation instructions
for proper low voltage wiring connections.
Notes:
DELAY RELAY
STRAIN RELIEF
EVAPORATOR MOTOR
ELECTRONIC BLOWER TIME
RUN CAPACITOR
SR
EM
EBTDR
RC
BK
RD
BL
YL
BLUE
BLACK
RED
YELLOW
COMPONENT CODE
BROWN
PURPLE
GREEN
PU
BR
GR
FEMALE PLUG CONNECTOR
MALE PLUG CONNECTOR
NOTE 2
TRANSFORMER
HIGH VOLTAGE
LOW VOLTAGE
HIGH VOLTAGE
LOW VOLTAGE
PLF
3
2
COLOR CODE
RD
TR
WH
6
BR
5
PLF
4
4
24V
5
SEE NOTE 1
1
2
3
RC
LO
EM
GR
WIRING CODE
BL
EBTDR
HI
COM
NC
M1
EBTDR
NO
208/240 VOLTS
1
1
PLF
PLM
L1
PLM
2
L2
(M2)
PU
RC
(COM) BK
BL
MEDIUM
3 SPEED
BR
HIGH
EM
(M1) RD LOW
IF REPLACEMENT OF THE ORIGINAL WIRES
SUPPLIED WITH THIS ASSEMBLY IS NECESSARY,
USE WIRE THAT CONFORMS TO THE
NATIONAL ELECTRIC CODE.
M2
PU
(TR 1)
M2
R G
C
EBTDR
SEE NOTE 1
5)
FL FUSE LINK
TL
THERMAL LIMIT
HTR HEAT ELEMENTS
SEE NOTE 5
RRELAY
TERMINAL BLOCK SHOWN
FOR 50HZ MODELS ONLY
THREE SPEED MOTOR WIRING
(SELECT MODELS ONLY)
SEE NOTE 3
EBTDR has a 7 second on delay when "G" is energized and a 65 second off
delay when "G" is de-energized.
3) Confirm speed tap selected is appropriate for application. If speed tap needs
to be changed, connect appropriate motor wire (Red for low, Blue for medium,
and Black for high speed) on "COM" connection of the EBTDR.
Inactive motor wires should be connected to "M1 or M2" on EBTDR.
MARK ACCORDING TO NUMBER OF HEATER ELEMENT ROWS INSTALLED. NO MARK INDICATES NO HEAT KIT INSTALLED.
KIT COMBINATION ON THIS UNIT'S S&R PLATE. AFTER INSTALLING OPTIONAL HEAT KIT, MARK AN "X" IN THE PROVIDED ABOVE.
NOTE: WHEN INSTALLING HEATER KIT, ENSURE SPEED TAP DOES NOT EXCEED MINIMUM BLOWER SPEED (MBS) SPECIFIED FOR THE AIRHANDLER/HEAT ER
WHITEWH
ADPF, ARPF, ARUF, ATUF
COPPER POWER SUPPLY
(SEE RATING PLATE)
USE MIN. 75°C FIELD WIRE
EQUIPMENT GROUND
USE COPPER WIRE

Related product manuals