EasyManua.ls Logo

Goodman *MSS9* - Wiring Diagram

Goodman *MSS9*
48 pages
Print Icon
To Next Page IconTo Next Page
To Next Page IconTo Next Page
To Previous Page IconTo Previous Page
To Previous Page IconTo Previous Page
Loading...
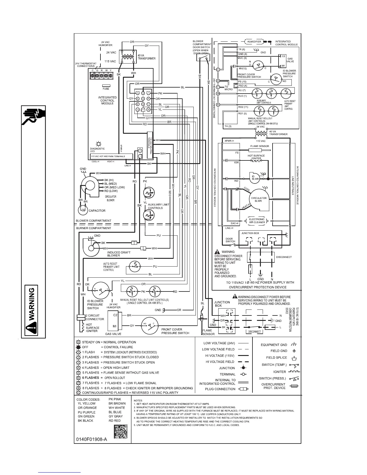
46
W
IRING
D
IAGRAM
HIGH VOLTAGE!
Disconnect ALL power before servicing or installing this unit. Multiple
power sources may be present. Failure to do so may cause property
damage, personal injury or death.
Wiring is subject to change. Always refer to the wiring diagram on the unit for the most up-to-date wiring.
*MSS9**** & *CSS9****A*

Table of Contents

Related product manuals