EasyManua.ls Logo

GPI G20 - Piezas y Servicio

GPI G20
45 pages
Print Icon
To Next Page IconTo Next Page
To Next Page IconTo Next Page
To Previous Page IconTo Previous Page
To Previous Page IconTo Previous Page
Loading...
28
ES
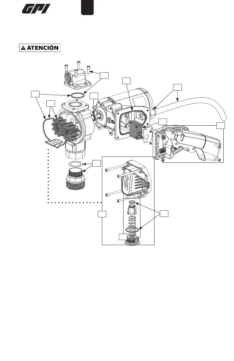
ILUSTRACIÓN DE PIEZAS DE REPUESTO PARA G20
-
012PX, G20
-
012MD Y G20
-
012AD
PIEZAS Y SERVICIO
Para considerar la garantía, las piezas u otra información de servicio,
comuníquese con su distribuidor local. Si necesita más ayuda,
comuníquese con el Departamento de Servicio al Cliente de GPI en
Wichita, Kansas, durante el horario comercial normal.
Se proporciona un número gratuito para su conveniencia.
1-800-835-0113
Para obtener un servicio rápido y eficiente, siempre esté preparado con la
siguiente información:
El número de modelo de su bomba.
El número de serie o el código de fecha de fabricación de su bomba.
Descripciones y números de piezas.
Para el trabajo de garantía, siempre esté preparado con su comprobante
de venta original u otra evidencia de la fecha de compra.
No devuelva la bomba o las piezas sin la aprobación previa del Departamento
de Servicio al Cliente de GPI. Debido a las estrictas normas gubernamentales,
GPI no puede aceptar piezas a menos que hayan sido drenadas y limpiadas.
4
5
4
3
2
6
4
4
1
8
9
7

Related product manuals