EasyManua.ls Logo

Graco 1535 - 1535 And 2030 Pressure Washers

Graco 1535
26 pages
Print Icon
To Next Page IconTo Next Page
To Next Page IconTo Next Page
To Previous Page IconTo Previous Page
To Previous Page IconTo Previous Page
Loading...
14 308572
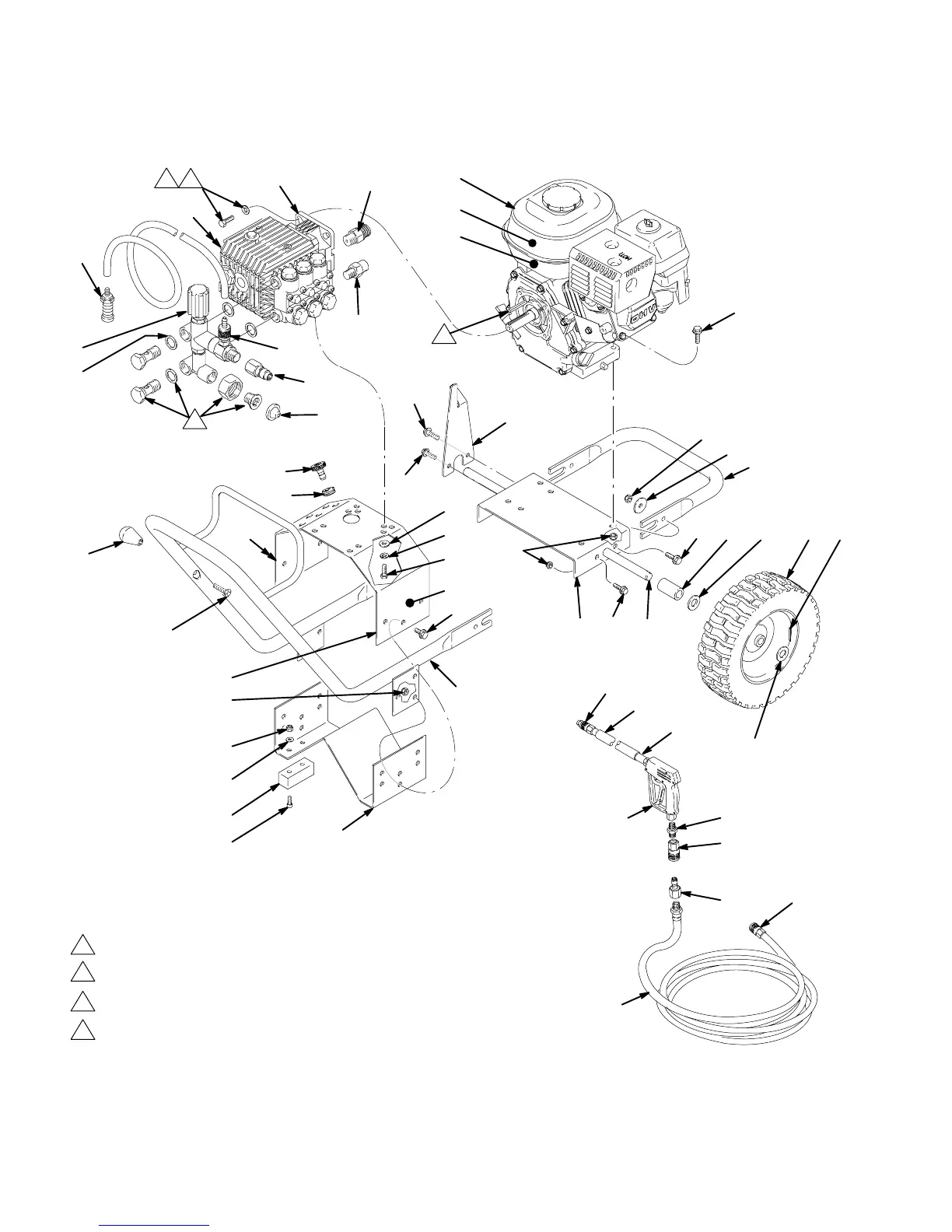
Parts: 1535 and 2030 Pressure Washers
04999A
1
30
31
29
32e
Model 804506, Series A: 1535 Pressure Washer
Model 804532, Series A: 2030 Pressure Washer
04999
2
18
19
20
21
22
23
25,26,27,42,43
24
34
1 Apply sealant to threads
2
Supplied with pump
1
33
17
16
10
11
8
4
3
6
5
4
15
16
6
12
6
41
9
7
8
37
38
14
40
28
46
45
44
51
13
49
48
53
47
4
32a
32f
32c
32d
32b
16
3
Supplied with engine
3
4
55
4
Supplied with unloader
56

Related product manuals